| 回捷克轻武器首页 | “蝎”式冲锋枪 |
|
|
口径: 7.65×17mm(.32 ACP) ,9×18mm PM ,9×19mm Para |

| 视频下载内容 | 下载链接及预览图 | 格式 | 时间长度 | 容量 | 来源 |
| “蝎”式冲锋枪 | ![]() |
MPEG | 6秒 | 746KB | AardvarkFirearms.com |
| Vz.61射击 | ![]() |
RMVB | 56秒 | 3.04MB | YouTube.com |
“蝎”式(Scorpion)冲锋枪体积不比战斗手枪大多少,所以有人认为它应该算作冲锋手枪。它的设计初衷确实是作为一种双用途武器,既可像冲锋枪那样双手抵肩连发射击,又可像手枪那样单手不抵肩单发射击,它既可以作为近距离战斗中的突击武器,也可以代替手枪作为个人防卫武器。其大小很适合被车辆司机或飞机驾驶员携带或使用。虽然它的实战效果不太理想,然而,该枪在轻武器历史上却占有一席之地。该枪在捷克被警察、安全部队和反恐怖部队中获得广泛采用。但同样的,由于它尺寸小极易隐藏,而且消声效果极好,因此也被一些恐怖主义组织所使用。
“蝎”式冲锋枪在1950年后期开始的研制,由Miroslav Rybá(1924-1970)设计,其目的是为非一线战斗步兵单位提供一种重量轻的但比手枪更有效的个人防卫武器。该枪的第一个原型在1959年制造,当时称为S-59冲锋枪。在1961年正式获得采用时,被定型为“Samopal Vzor 1961”,这句捷克语翻译成中文是“1961型冲锋枪”,或简称SA Vz.61,其口径为7.65×17mm勃朗宁手枪短弹。这件武器被配发到捷克斯洛伐克军队中的各种不同单位,以及广泛地出口。该枪定型后很快就取代了捷克斯洛伐克军队原装备M52 7.62mm手枪,主要装备伞兵、特种部队、装甲车/直升机组成员和军官,捷克的警察也大量装备。由于7.65mm勃朗宁短弹(在美国称为.32 ACP弹)在西方也很流行,因此该枪也大量出口到国外,一些非洲国家的军队或警察也装备该枪。从1962年至1979年间大约生产了210,000支(之后的产量不详)。据说有一些民航客机上的防劫机保安人员也选用该枪,因为.32 ACP弹无法穿透机舱蒙皮。
除了.32 ACP口径的Vz.61外,“蝎”式冲锋枪还有其他口径的型号。
首先在1964年设计了发射9mm勃朗宁短弹(9×17mm)的SA Vz.64,然后又推出了9×18mm马卡洛夫PM手枪弹的SA Vz.65,接着又推出了9×19mm派拉贝鲁姆弹的SA Vz.68,该型号更长一些更重一些。
当捷克斯洛伐克军队在1982年决定采用苏联的9×18 PM手枪弹时,又再次推出9×18 PM口径的SA Vz.82,并这种新型号也用于出口。Vz.82与Vz.65相比,主要是加强了机匣和缓冲系统以更好地承受膛压更高的9mm马卡洛夫弹,因此虽然枪管短了2mm,但机匣稍长一些,而且重量比Vz.65有所增加。
“蝎”式冲锋枪枪族的最后一个型号在1990年代早期生产,包括有快慢机的军用型SA 391和只能半自动射击的民用型SA 91,这些型号均是发射西方国家流行的9×19mm派拉贝鲁姆弹。目前捷克的CZ-UB仍在生产SA 391。
现在虽然捷克特种部队已经改用HK MP5冲锋枪,但“蝎”式冲锋枪仍然在捷克陆军和警察部队中使用。
“蝎”式冲锋枪在1992年由前南斯拉夫扎斯塔瓦武器公司(Zavodi Crvena Zastava)特许生产, 先后生产有M61(j)和M84两种型号,并被广泛配发给军官作为辅助武器。 其实这两种型号均为仿制.32 ACP口径的Vz.61,只是最初生产时称为M61(j),再后来改名为M84。目前这种冲锋枪仍在塞尔维亚共和国 装备。
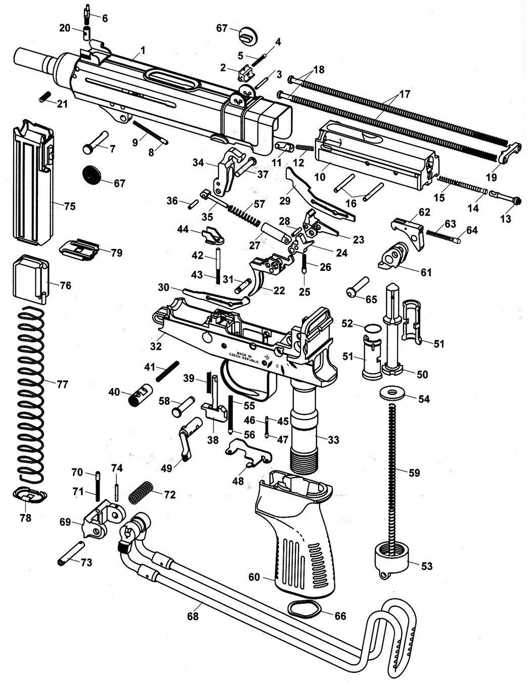
“蝎”式冲锋枪结构简单,生产容易。上机匣由钢板冲压而成,主要是连接枪管和容纳枪机;下机匣也是用钢机加而成,包括手枪形握把、击发机构和弹匣座。
“蝎”式冲锋枪采用大多数冲锋枪上很常见的自由后座式枪机,枪机为包络式,由于采用向上抛壳,所以在枪机上方开孔。拉机柄外形就圆钮状,在枪机两侧各有一个,因此机匣两侧都有拉机柄活动槽。由于整枪设计短小紧凑,枪机也轻(比大多数的包络式枪机都要短),而且后坐行程也很短。因此该枪设计有一个减速器,使原本可能高于1000RPM的射速降低至840RPM。
减速器由装在机匣尾部的弹簧挂钩和装在握把内的延迟装置组成。延迟装置是一个重量较大的惯性管,内部装有弹簧柱塞。当枪机后座到位时,它一方面撞击弹簧挂钩并被挂钩所挂住,另一方面又同时把弹簧柱塞压入握把之中。由于弹簧柱塞的重量轻,容易加速,所以向下运动的速度比惯性管的快得多,很快就穿过惯性管。随后,柱塞在其弹簧作用下回升并与仍在下降的惯性管相遇,这样柱塞的上升运动就受到延迟。当弹簧柱塞上升至最高位置时,它便撞击弹簧挂钩,弹簧挂钩转动而释放枪机。枪机复进,开始一个新的自动循环。
该枪有空仓挂机,当弹匣中的枪弹打完之后,弹匣中的托弹板带动空仓挂机上抬,将枪机挂于后方位置。

Vz.61的原型S-59



握把内的延迟装置

不同枪机的比较
配用的消音器为一塑料套筒,前端有紧定螺盖,后端借螺纹套筒固定于枪口的接合座上。在消音器上靠近枪口的一端有一小的金属锥形罩,锥形罩又抵压在垫圈上。消音器前端的紧定螺盖压住橡皮密封垫圈。火药燃气跟随弹头进入消音器后,在消声器内膨胀,少量的气体由消音器上的排气孔溢出。弹头通过橡皮密封垫后,密封垫收缩使膨胀气体的排出速度减缓,最后气体以亚音速排出。该消声器效果很好,50米外难以辨别枪声位置。但配用消音器时,弹头初速由316m/s下降至275m/s,而且会引起散布增大和射速提高,有效射程也减少。
发射机构的设计基本上取自美国伽兰德M1步枪。扳机连杆上有两个阻铁,第一阻铁为固定式,第二阻铁(单发阻铁)带有弹簧。击锤上相应地也有两个钩,朝前的为主钩,朝后的为辅钩。机匣两侧都有快慢机柄,因此左、右手均可操作。快慢机柄有三个位置:“0”是保险,“1”是半自动射击,“20”为全自动射击。
当快慢机装定于保险位置时,可起到双重保险的作用:一是将扳机锁住,二是利用扳机连杆将枪机锁住。当快慢机装定于半自动位置时,击发后枪机后座压倒击锤,击锤的辅钩与第二阻铁扣合。松开扳机,扳机连杆向前运动使第二阻铁解脱击锤,击锤的主钩随之又与第一阻铁相扣合。此时,枪便再次成待发状态,扣压扳机即可击发另一发枪弹。当快慢机装定于全自动射击位置时,快慢机轴使第二阻铁向后挂不住击锤,故击锤仅受不到位保险阻铁的控制,枪机复进到位便压倒不到位保险,使击锤解脱击发枪弹。
弹匣为双排,容量有10和20发两种,折叠枪托式用钢线制成。随枪通常配发一个手枪式的枪套和弹匣袋。
分解时,抽出机匣左侧、弹匣前方的连接销,向前推机匣约6mm,将机匣连同枪管一起卸下;分别取下机匣两侧的机柄,从机匣后方分解出枪机、复进簧及导杆。通常不完全分解到此为止,进一步的分解还包括从握把底部卸下减速器惯性管、拔出发射机座固定销、取下发射机座等。
“蝎”式冲锋枪既可单手射击,作手枪使用;也可打开枪托抵肩射击,作冲锋枪使用;亦可不用枪托实施双手持枪射击,一手握弹匣、一手握住握把,也能较好地控制射向;此外还可安装消音器,供执行特殊任务时使用。该枪重量较轻、重心位置合适,加上7.65×17mm勃朗宁短弹的枪口动能比较小,因此无论是单手射击还是抵肩射击,精度都比较好。另外,该枪制造精良、结构简单坚实,动作可靠、零部件互换性好,这些都是比较突出的优点。缺点是有效射程近,只适合25米内的战斗(弹头在50米外几乎没有侵彻作用);安装消音器后枪的后座猛烈,不易控制。另外,该枪在打开枪托抵肩射击时,由于枪托太短,眼睛距照门太近,实际上也难以构成正确的瞄准线,所以枪托的实用价值并不大。
| Vz.61 | ||
| 口径 | .32 ACP | |
| 枪长 | 枪托打开 | 522 mm |
| 枪托折叠 | 270 mm | |
| 枪宽 | 43 mm | |
| 枪高 | 167 mm | |
| 枪管长 | 115 mm | |
| 枪重 | 不含弹匣 | 1.28 kg |
| 含20发实弹匣 | 1.43 kg | |
| 含30发实弹匣 | 1.53 kg | |
| 膛线 | 6条,右旋,147mm | |
| 弹匣容量 | 10, 20 rds | |
| 初速 | 317 m/s | |
| 理论射速 | 820~850 rpm | |
| 实际射速 | 全自动 | 200~350 rpm |
| 半自动 | 35 rpm | |
| 有效射程 | 枪托折叠 | 25 m |
| 枪托打开 | 100 m | |
| 最大射程 | 1,500 m | |
| 弹头致伤距离 | 800 m | |


9mm勃朗宁短弹的Vz.64

9mm马卡洛夫弹的Vz.65

9x19mm派拉贝鲁姆口径的Vz.68

| Vz.61 | Vz.64 | Vz.65 | Vz.68 | Vz.82 | ||
| 口径 | .32 ACP | 9×17mm | 9×18mm PM | 9×19mm Para | 9×18mm PM | |
| 枪长 | 枪托打开 | 522 mm | 522 mm | 522 mm | 595 mm | 538 mm |
| 枪托折叠 | 270 mm | 270 mm | 270 mm | 305 mm | 270 mm | |
| 枪管长 | 115 mm | 115 mm | 115 mm | 130 mm | 113 mm | |
| 空枪重 | 1280 g | 1280 g | 1323 g | 2003 g | 1440 g | |
| 弹匣容量 | 10, 20 rds | 10, 20 rds | 10, 20 rds | 10, 20, 30 rds | 12, 24 rds | |




安装OKO红点镜
|
资料来源:国防工业出版社出版《国外轻型步兵武器》下册 |
创建2008-03-11 / 更新2026-03-08 |