








二战刚结束后的1946年,麦德森公司就推出了一种独特的9mm口径冲锋枪,命名为M/46,该枪的特点是包括握把和弹匣座在内的整体式机匣完全由冲压制成,其结构非常简单,便于大量生产,成本低廉。后来又分别在1950年和1953年推出了其改进型M/50、M/53和M/53 Mk.2。这一系列的冲锋枪通常被统称为麦德森冲锋枪。麦德森冲锋枪卖给了许多亚洲和南美国家,并在部分国家有仿制,其中巴西更生产了.45 ACP口径的M/50式麦德森冲锋枪。但该枪没有被丹麦军队采用,丹麦军队二战后的制式冲锋枪是霍维M1949,类似于瑞典M/45冲锋枪。
麦德森冲锋枪的机匣最大特色是由几乎完全相同的左、右两半构成,在后端用铰链连接起来,并在前段用枪管螺套固定。要拆卸枪支时,只要拧出枪管螺套,就能打开左半边的机匣,而枪管、枪机、复进簧和发射机构则装在右半边机匣内,所以事实上右机匣才是真正的机匣,而左机匣等于是机匣盖。左、右机匣的外表平滑,合起来后合缝紧密,防尘效果比较好。左机匣内壁前端的凸起起抛壳挺的作用,抛壳口在右机匣上。

枪管接合在机匣前端的枪管座内,其尾端的凸缘卡入机匣左、右两侧相应的槽中,以阻止枪管前后运动。弹膛的后方有一道凹槽,与机匣左壁上起抛壳挺作用的凸起扣合,借以防止枪管转动。两种M/53增加了一个带散热孔的枪管护筒,用户可视需要而自行安装或拆卸。在枪管护筒上还有剌刀座。
该枪为自由后坐式枪机,前冲击发。
枪机为长方体形状,沿右机匣底部的平面作往复运动。击针为固定式,拉壳钩位于枪机右前方,用垂直销固定。拉机柄装在枪机上方,用横销固定,机匣顶部有机柄导槽。M/46的拉机柄为框架形结构,从M/50开始拉机柄都改成圆柱形。
复进簧装在枪机通孔内,其后端抵在复进簧座上。复进簧座又抵在右机匣的后壁,座的前方为复进簧导杆。
发射机构位于右机匣的底部,由扳机、阻铁,阻铁簧等组成。当阻铁在其簧力作用下上抬并卡入枪机底部的待发卡槽时,枪机成待发状态。M/46、M/50和M/53都只能全自动射击,而M/53 Mk.2则在机匣左侧增加了一个快慢机,标有A和E两个标记,A为连发射击,E为单发射击。
手动保险机位于机匣左侧,在扳机上方。把保险钮拨到后面,便能锁住击发阻铁,使枪机无法运动,但只有当枪机处于待发状态时,保险机才能动作。而麦德森冲锋枪另一个特色是在弹匣座后面有一个杠杆式的自动保险,射击时,要握好弹匣座上的杠杆,才能释放枪机。否则,自动保险会阻止枪机复进到位,所以即便不小心扣压扳机或掉在地上也不会走火。
该枪采用32发弹匣供弹,其中M/46和M/50采用直形弹匣,而两种M/53则采用弧形弹匣,以提高供弹的可靠性。
握把是空心的,里面放置有一个专用的弹匣压弹器,使用时,将压弹器置于弹匣口部,用其顶杆压下托弹板,当枪弹底滑入弹匣的枪弹口内时,托弹簧的簧力由压弹器的顶杆所承受。然后松开顶杆,枪弹即装入弹匣。但由于握把是机匣上的一个整体,而又没有其他的开盖,要取出压弹器就必须先拆开机匣,所以很多士兵并不经常使用这个“制式附件”。由于握把是冲压式机匣的整体部分,手感不会太舒服,只有最后的M/53 Mk.2才在握把两侧增加了两块护木片。
机匣和握把后端铰接有一个框形折叠式枪托,由钢管折弯而成,通常枪托外面会包裹着一个皮革外套,让抵肩和贴腮更舒服一些,但也有些用户拆掉这个皮革套。枪托不使用时可折叠到枪的右侧。背带环安装在左机匣上。
在机匣前端安装有刀形准星,机匣尾端则安装有固定式的觇孔照门,射程装定为100米。
麦德森冲锋枪的分解步骤如下:取下弹匣,折回枪托,如枪机不在前方则应将枪机放回前方位置,拧松枪管固定螺套并向,前滑动,将枪右侧朝下放置,用右手拉前背带环,左手压住枪管,打开左机匣,取出枪管,向前上方推复进簧座,从枪机中抽出复进簧,向上取出枪机。

M/46型

M/50型

M/53型

安装枪管护筒的M/53 Mk.2


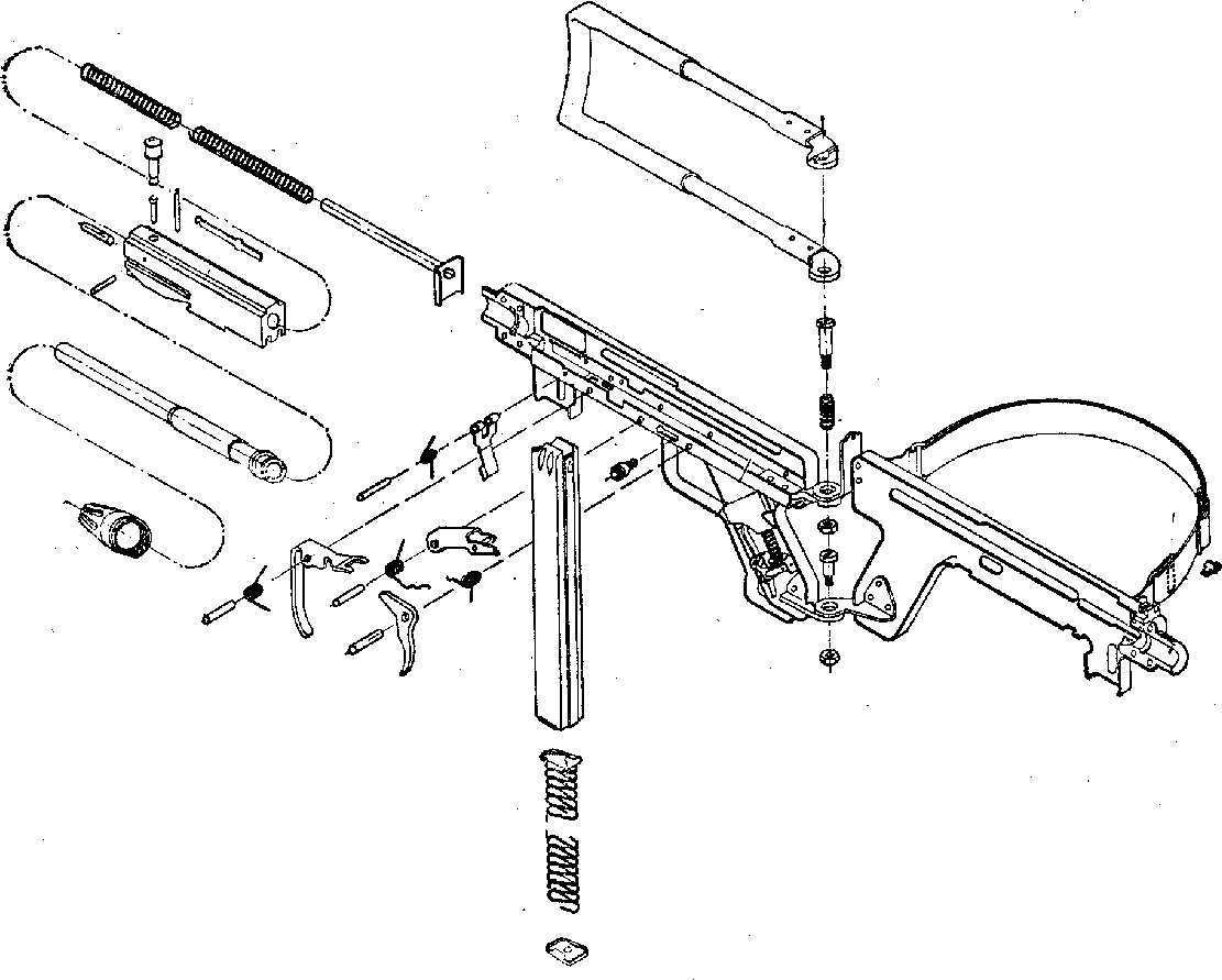
主要构造:1-枪管固定螺套,2-背带环,3-抛壳挺,4-拉壳钩销,5-拉壳钩;6-枪机,7-左机匣,8-右机匣,9-手动保险,10-背带环,11-枪管,12-枪管座,13-准星,14-击针,15-机柄,16-复进簧,17-握把保险,18-阻铁,19-扳机,20-扳机定位面,21-复进簧座及导杆,22-照门板,23-枪托连接螺栓,24-枪托,25-枪托簧,26-击针销,27-弹匣;28-弹匣卡笋销,29-弹匣卡笋,30-弹匣卡笋簧,31-阻铁轴;32-阻铁簧,33-扳机护圈,34-扳机簧,35-压弹器;36-枪托连接螺栓,37-螺帽,38-枪托紧定器
| |
M/46 |
M/50 |
M/53 |
M/53 Mk.2 |
| 枪管长 |
200 mm |
200 mm |
200 mm |
200 mm |
| 全枪长 |
枪托展开 |
780 mm |
780 mm |
800 mm |
800 mm |
| 枪托折叠 |
550 mm |
530 mm |
530 mm |
530 mm |
| 空枪重 |
3.15 kg |
3.15 kg |
3.2 kg |
3.2 kg |
| 含实弹匣重 |
3.74 kg |
3.74 kg |
3.82 kg |
3.82 kg |
| 理论射速 |
480 rpm |
550 rpm |
550 rpm |
550 rpm |
| 实际射速 |
100 rpm |
100 rpm |
100 rpm |
100 rpm |
| 枪口初速 |
390 m/s |
| 有效射程 |
150 m |
| 弹匣容量 |
32 rds |


分解后的M/50,可以看到握把内的弹匣装填器




麦德森M/50冲锋枪

扳机及其上方的手动保险 |
 
弹匣座后面第一个扳杆是弹匣卡笋,第二个是自动保险 |



机匣左侧的背带环



枪管螺套

弹匣座上方的铭文








网上枪店里的麦德森冲锋枪

枪托折叠的M/50型




南越军队所使用的麦德森冲锋枪

装备麦德森冲锋枪的南越特种部队LLDB

在越战中SOG所使用的杂牌武器,也包括了麦德森冲锋枪

一个越战博物馆中收藏的冲锋枪,中间就挂着两支麦德森

台湾在1950年代装备过麦德森冲锋枪



金门自卫队装备的麦德森M50

旧版《人猿星球》里面看似很科幻的道具枪其实是用麦德森冲锋枪套上马甲后改成的
