| →波兰轻武器 |
MSBS-5.56模块化武器系统 |
|
|
口径: 5.56×45mm NATO |

MSBS-5.56模块化武器系统是波兰军事技术学院(Wojskowa Akademia Techniczna)和拉多姆兵工厂在2007年开始合作研发的。MSBS-5.56是“模块化轻武器系统”(Modułowy Systema Broni Strzeleckiej 5.56)的缩写。该武器系统在2009年首次公布原型枪,当时的原型枪在外观还比较“简易”。2010年的时候参考作了较大改动,然后2011年的时候又对人机工效方面作了其他改进。目前据说在2014年底已经试产了一小批交付给波兰军队进行野战试验。如果决定大批量装备,MSBS将取代原有的7.62mm口径PMKM系列(波兰生产的AKM)和正在逐步取代PMKM的5.56mm口径Beryl系列突击步枪。由于MSBS的名字中带有5.56的后缀,以后也有可能会推出7.62×51mm口径的版本。另外据传拉多姆兵工可能在2015年或2016年推出MSBS的民用型。
从一开始公布时,MSBS-5.56系统就包括两种版本,一种是称之为MSBS-5.56B的无托结构版本,另一种是称之为MSBS-5.56K的采用折叠式枪托的传统结构版本。而模块化的结构不仅是方便工厂更容易的同时生产和组合这两种版本的步枪,也是方便了同一种版本的步枪可以通过更换部件转换成短枪管的卡宾枪或重型长枪管的精确射击步枪和班用支援武器(轻机枪)。

在2009年第一次公布时的MSBS-5.56的原型枪

2010年公布时的MSBS在外观上作了较大改变

从上到下,分别为2009年、2010年、2011年的原型枪
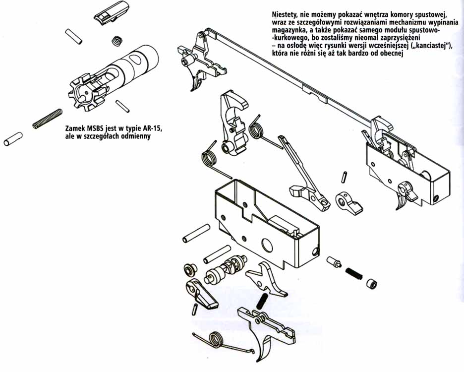
MSBS系统的模块核心是一个倒置的U形机匣,由铝合金制成,枪机组、复进簧、枪管和导气系统都安装在这个机匣上,通过装上不同的扳机组、枪托、护木等部件来实现不同版本的组装。从结构图来判断,2010年以后的MSBS系统似乎参考了MagPul Masada步枪不少地方,这可能与当时的波兰特种部队购买和试用过一小批雷明顿ACR有关。
MSBS采用短行程导气活塞原理、回转式枪机闭锁。导气装置位于枪管上方,导气阀上有手动调节气体的功能。枪管节套内有7个闭锁槽,与枪机头的7个闭锁突笋配合。在机匣的两侧都有抛壳口,射手通过安装抛壳口盖板在其中一侧,来让武器向另一侧抛壳。拉机柄槽也是在机匣两侧都有,可由射手选择把拉机柄安装在哪一边。枪射击时,拉机柄不随枪机一起运动。
聚合物枪托和扳机座、弹匣座、握把是一个整体部件 ,MSBS-5.56B型和MSBS-5.56K型这两个版本就取决于安装这个部件的类型。无论哪个版本,在握把上方的左右两侧均有手动保险/快慢机柄,弹匣释放钮均位于扳机护圈前方,空仓挂机解脱按钮均位于弹匣插座后面。
无论哪一个版本,其护木是通用的。U形的护木的类型有两种类型,早期的护木完全由铝合金制成,左右两侧和底部都有全长的导轨,后来的护木改为较轻便的聚合物材料,在护木前端的左右两侧和底部装上一小段皮卡汀尼导轨。
MSBS通用M16的STANAG弹匣,目前为止所公布过的原型枪照片中都是使用其他厂家的弹匣,如USGI的铝弹匣或MAGPUL公司的聚合物弹匣等,似乎拉多姆兵工厂也无意设计生产自己的弹匣。
在机匣顶部有全长的皮卡汀尼导轨用于安装瞄准具,机械瞄具也是安装在导轨上的。MSBS-5.56B型和MSBS-5.56K型中枪管较长的型号都可安装刺刀,而无论哪个版本和型号都可在护木底部挂上专门设计的下挂式榴弹发射器。
| MSBS-5.56B | MSBS-5.56K | |
| 枪长 | 670 mm | 900 /670 mm |
| 枪管长 | 406 mm | 406 mm |
| 空枪重 | 3.55 kg | 3.65 kg |
| 理论射速 | 700 rpm | 700 rpm |
![]() 早期原型枪年起来比较“简易”,MSBS-5.56B干脆不安装护木 |
![]() 2009年时的MSBS-5.56K型的枪管只能伸缩,不能折叠 |

2009年底第2次公布的原型枪,枪托是使用wz.04 Mini-Beryl的枪托

2009年底第2次公布的原型枪,换了M4伸缩枪托

标准枪管的MSBS-556B无托步枪的长度与Mini-Beryl全长差不多

现时的MSBS-5.56从结构上来看,参考了MAGPUL MASADA不少地方

2014年推出的7.62x39mm MSBS

| 资料来源:Wiki |
创建2015-02-08 / 更新2026-03-27 |