| 俄罗斯轻武器 | 斯捷奇金APS冲锋手枪 |
APS ◇ APB |
|
口径: 9×18mm PM |

| 视频下载内容 | 下载链接及预览图 | 格式 | 时间长度 | 容量 | 来源 |
| 斯捷奇金冲锋手枪介绍 | ![]() |
WMV | 39秒 | 1.68MB | RUSSIAN MILITARY ANALYSIS |
| 在美国民间靶场上的斯捷奇金冲锋手枪 | ![]() |
AVI | 4秒 | 1.13MB | AARDVARK FIREARMS |
| 在俄国特种部队射击靶场上的斯捷奇金冲锋手枪 | ![]() |
AVI | 9秒 | 632KB | 一个没有主题的俄国网站,现在好像已经删掉了视频下载了 |
| 在俄国特种部队射击靶场上的斯捷奇金冲锋手枪,这次打的似乎是个来参观的平民 | ![]() |
AVI | 10秒 | 701KB | 一个没有主题的俄国网站 |
| 依次射击GLOCK17、匕首枪、斯捷奇金APS和伯莱塔93R的短片 | ![]() |
WMV | 42秒 | 2.55MB | 真抱歉,忘记了 |
苏联在1920年代后期就尝试开始为军事人员的个人防卫需要而研制一种能全自动射击的大型军用手枪,但没有取得成功。在第二次世界大战结束后,这个设想被重新提出。1948年,在位于图拉的中央设计研究局工作的工程师伊戈尔·斯捷奇金(Igor Stechkin)正式接受了设计一种新型手枪的任务,设计要求是要采用新的9×18mm马卡洛夫手枪弹,进行半自动和全自动射击,在全自动射击时要求容易操控,并要求可驳接枪托,也即所谓的“冲锋手枪”。

斯捷奇金已经退休,他的身体不好,行动不便,而且得了职业病——耳聋
|
|
|
这种冲锋手枪很快就设计出来,并在1951年与马卡洛夫PM手枪一起被苏联军队采用,这种新枪被命名为斯捷奇金自动手枪(俄文为Автоматического Пистолета Стечкина,相当于英文的Automaticheskij Pistolet Stechkin),缩写为APS(俄文АПС),也常常被称为斯捷奇金手枪。APS手枪在1953-54年间大量装备给苏联军队的炮兵、坦克/装甲输送车的车组、步兵中的RPG-7射手、前线军官等军事人员,成为世界上唯一被列为制式军用装备的冲锋手枪。
然而在装备部队后却发现APS体积太大,枪托式枪套又太重,把APS作为自卫武器显得携带不便,而作为进攻武器又显得威力不足,于是在1970年代初APS开始逐步从常规部队中撤装并转入库存。在1970年代又设计生产了一小批改进型的APS手枪,这批新APS手枪的枪管稍为延长,并在枪口部刻有螺纹,用于外接快卸式消声器,这种改进型手枪被命名为APB(АПБ)。虽然APS从常规部队中撤装,但APB与APS一起被苏联特种部队SPETsNAZ所装备并在阿富汗战场上使用。
在1990年代的前苏联地区冲突期间,APS也被多个俄罗斯执法机构的特种部队采用,例如OMON、SOBR、要员保护小组等等。APS比起广泛装备的马卡洛夫PM手枪有更好的精度和更大的容弹量,而且APS既能以半自动模式准确迅速地射击,也能在室内近战的紧急情形下进行全自动射击。现在尽管有更现代化和威力更大的手枪出现,如GSh-18,但APS由于使用库存量足和价格便宜的9×18mm手枪弹,以及良好的射击精度和较低的后坐力,直到现在仍然被俄罗斯的执法机构尤其是特种部队使用。
![]() 使用APS的侦察兵 |
![]() 背对镜头的人腰侧带着APS |
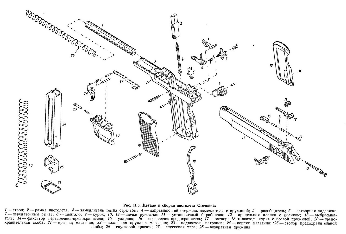
APS手枪采用简单的自由后坐式工作原理,结构类似马卡洛夫手枪,全钢结构,外露式击锤,双动板机,复进簧套在枪管外,双排双进弹匣。在钢制套筒的左后方有一个三位置的保险/快慢机柄,为了在全自动射击时容易控制,APS手枪在握把内安装了一个插棒式弹簧缓冲器,并把套筒后坐行程延长到相当于马卡洛夫手枪弹长度的2倍,使理论射速降低到一分钟600发。固定片形准星安装在套筒前方,缺口式照门的射程可调,表尺刻度有25m、50m、100m和200m。
为了进一步增大射程和提高全自动射击时的散布精度,APS手枪采用了一种可驳接到手枪上充当枪托的硬壳式枪套,作枪套使用时可以通过腰带卡把枪套挂在腰上,也可以通过一根肩挂式背带挂在肩上;作枪托使用时,可以通过手枪握把尾端的引导槽驳接枪套,驳接枪套时也可能使用背带。早期的枪托式枪套是木制的,后来改用棕色的工程塑料。由于原来的枪托式枪套太笨重,现在俄罗斯特种部队也采用了一些轻便的“开顶式”战术枪套,但不能驳接成枪托。
| 全长 | 枪长 | 225 mm |
| 驳接枪托长 | 540 mm | |
| 全枪宽 | 34 mm | |
| 全枪高 | 149 mm | |
| 空枪重(含弹匣) | 不含枪托 | 1020 g |
| 含枪托 | 1.58kg | |
| 全枪重(含实弹匣) | 1220 g | |
| 枪管长 | 140 mm | |
| 枪口初速 | 340 m/s | |
| 瞄准基线长 | 187.5 mm | |
| 弹匣容量 | 20 rds | |
| 理论射速 | 600 RPM | |
| 战斗射速 | 80 RPM | |



在扳机护圈后上方有一个背带环

早期的木质枪托/枪套

塑料枪托







快慢机



2015年底电视新闻报道俄罗斯让在中东执行任务的战斗机飞行员携带APS冲锋手枪,作为跳伞逃生后的自卫武器,每名飞行员携带一把手枪和4个弹匣


2018年2月3日,一名俄罗斯Su-25SM3攻击机的飞行员罗曼·菲利波夫(Roman Nikolayevich Filipov)少校在叙利亚上空弹射跳伞后,使用APS与包括他的十几名恐怖分子战斗,射击了一个半弹匣打死两名恐怖分子后被杀,恐怖分子展示缴获的武器,可以看到有一个弹匣已经打空。
|
2004-01-15/2020-04-26 |