| →瑞士轻武器首页 |
MP9冲锋枪 |
MP9 ◇ TP9 |
| →B&T公司 |
口径: 9×19mm Para |

| 视频下载内容 | 下载链接及预览图 | 格式 | 时间长度 | 容量 | 来源 |
| B&T MP9冲锋枪射击 |
![]() |
MP4 | 19秒 | 1.44MB | YouTube.com |
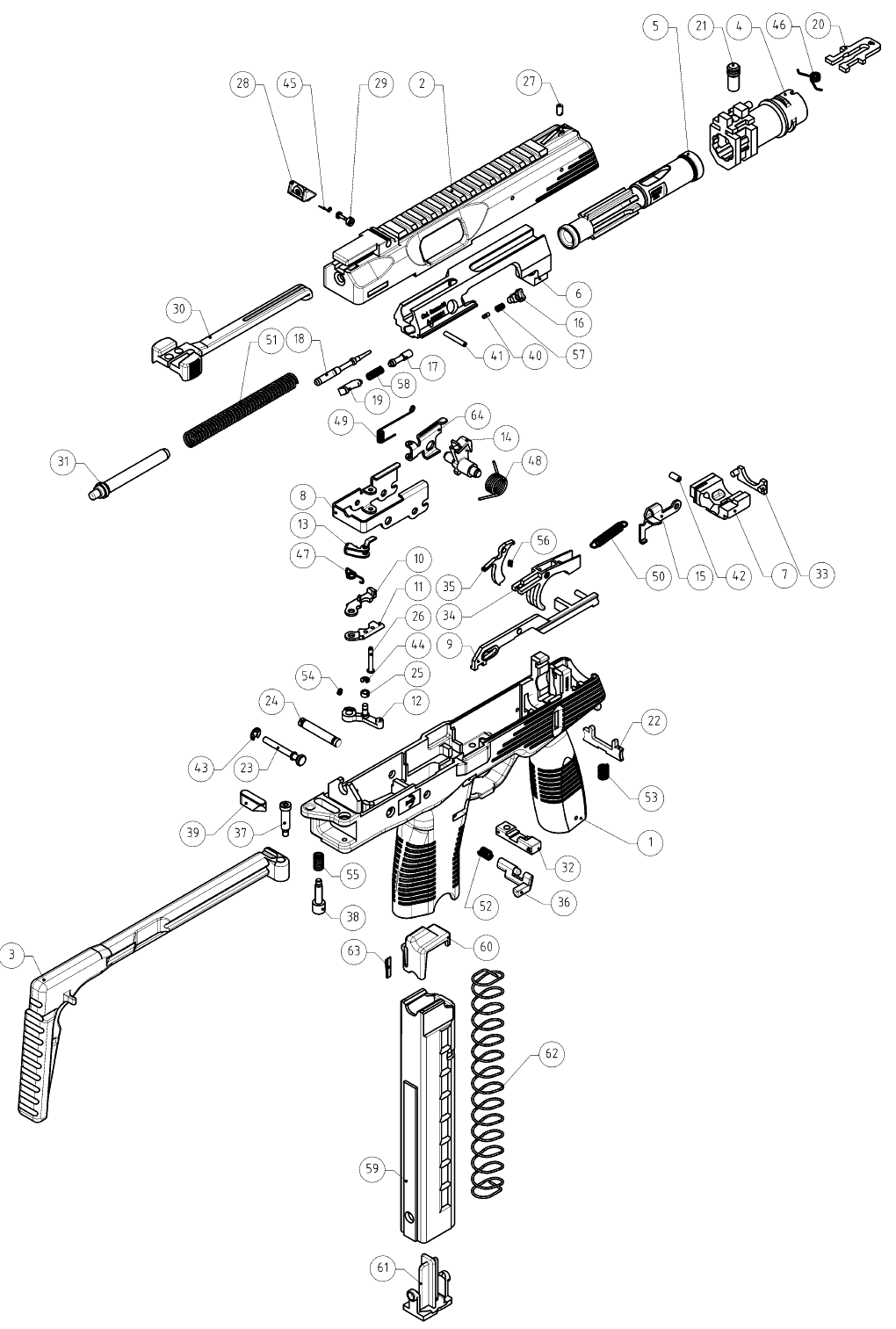
在2001年,斯太尔公司把TMP冲锋枪的设计卖给了瑞士Brügger & Thomet公司。B&T公司对其略作改进后,重新命名为MP9冲锋枪并推出市场。但在MP9正式推出之前,B&T公司曾经有一种使用伸缩式枪托和加装皮卡汀尼导轨的TSP-A1。
B&T MP9最大的改进主要是把上机匣顶部的瞄准镜导轨改为皮卡汀尼M1913标准导轨,在机匣尾部又增加了一个折叠式枪托,还在扳机上增加了一个类似格洛克手枪的扳机保险装置。此外,B&T公司还推出不同颜色的枪身,如黄褐色、黑色、OD色、白色等,此外还为使用Simunition FX反应弹的配件时配上红色或蓝色的训练型机匣。后来随着皮卡汀尼导轨的流行,又在枪身前方的左右两侧各加装了一小段皮卡汀尼导轨。
| 全枪长 | 枪托折叠 | 300 mm |
| 枪托展开 | 520 mm | |
| 枪管长 | 130 mm | |
| 空枪重 | 1.4 kg | |
| 理论射速 | 800-900 RPM | |
| 弹匣容量 | 15 / 20 / 25 / 30 rds | |
| 枪口初速 | 380 m/s | |
| 有效射程 | 50-100 m | |

左右两侧增加了皮卡汀尼导轨的后期型MP9
![]() 待击 |
![]() 击发 |
![]() 枪管/枪机开始后坐 |
![]() 开锁后,枪机后坐 |
![]() 枪机复进 |
![]() 发射FX反应弹的训练型MP9-FX |
![]() 不能发射的训练枪MP-9M |





2015年3月俄罗斯提审刺杀反对派政治家鲍里斯·涅姆佐夫(Boris Nemtsov)的嫌疑人照片,提审警员所用的冲锋枪为B&T MP99(左二张),但也有SR2(右三张)

俄罗斯毒品管理局2015年底举行的内部射击比赛上出现的MP9

MP9-N是的改进是取消了原本MP9的单/连发扳机,在原本的横推式保险按钮位置上安装了一对左右两侧都可操作的手动保险/快慢机选择杆,但它的档位顺序比较奇怪,保险处在连发档与单发档之间,拨到前方是全自动,拨到后方分别是保险和半自动。目前已经有一些执法机构或军事单位少量采购MP9-N,例如荷兰皇家空军于2015年开始向所有F-16AM的飞行员配发MP9-N作为自卫武器,这主要是受到2015年1月ISIS烧死了一名约旦的F-16飞行员的惊吓而作出的决定。
| 全枪长 | 枪托折叠 | 303 mm |
| 枪托展开 | 523 mm | |
| 全枪宽 | 50 mm | |
| 全枪高(含Aimpoint Micro TL红点镜与30发弹匣) | 276 mm | |
| 枪管长 | 130 mm | |
| 空枪重(含Aimpoint Micro TL红点镜与30发空弹匣) | 1.7 kg | |
| 理论射速 | 1100 RPM | |
| 弹匣容量 | 15 / 20 / 25 / 30 rds | |
| 枪口初速 | 380 m/s | |
| 有效射程 | 50-100 m | |
| 瞄准基线长 | 192 mm | |

MP9-N有带前握把和不带前握把两种主要形式,后者在前握把位置改成一段皮卡汀尼导轨


| →B&T公司 |
MP9 ◇ TP9 |
| 资料来源:Brugger & Thomet |
创建2009-12-25 / 更新2026-03-27 |