| 美国轻武器 |
M75/XM129自动榴弹发射器 |
|
|
口径: 40×53mm SR |

M75的研制始于1958年,由福特航空航天公司(Ford Aerospace Corporation,这段时间内有时称作Philco-Ford)研制。1964年至1965年开始交付部队试验。并很快就在越南战争进行实战试验。最常见的是UH-1上的M5武器系统、OH-6上的XM8武器系统,还有AH-1和ACH-47A上使用的炮塔M28武器系统。如果在地面使用,须安装在三脚架上发射。
M75是一种外能源的自动榴弹发射器,通过电动机驱动鼓形凸轮让枪管往复式运动来实现射击时的自动循环,因此需要外接电源。主要组成部分是电动机、鼓形凸轮、机匣、枪管和供弹板。这种武器由5/8马力的28伏直流电动机提供能源,电动机通过软轴驱动自动机,但安装在榴弹发射器外,因此不会受到射击时的后坐力影响。射速为215~230rpm。
当时M79所用的40mm低速榴弹已经在使用,但由于M75用于航空器,需要高速的榴弹以提高射程,以便从空中有效地打击地面目标。所以M75的关键是弹药部分,为此专门研制了40×53mm SR口径的高速榴弹,枪口初速是790fps。这种弹药有两种型号,一种是M384高爆榴弹,另一种是M385练习弹。试射时在2045码能准确命中目标。保险距离为离开枪口的60~120英尺。
M75采用链式供弹,在M5和M28系统上主要是使用鼓形弹箱,在XM8和XM9系统上使用盒形弹箱,而M5型有时也用盒形弹箱。
M75主要的问题是安装在枪管上方的凸轮鼓产生的扭矩导致震动太大,所以福特航空公司在1967年开始研制和改进出XM129,把凸轮鼓安装在枪管后面,与枪管同轴,从而解决了扭矩的问题,并使射速提高到每分钟400发。但除了凸轮鼓位置和安装方式不同外,M75和XM129的动作原理是相同的。
XM129迅速取代了M75,许多原本安装M75的直升机武器系统如M5、M28、XM8等等都换成M129。XM129除了可以在上述的XM8和M28直升机武器系统上使用外,后来还作为AH-56夏延人的XM51炮塔武器,另外还被试验用于UH-1的XM94系统。不过一些M75还是和XM129一起一直使用到1975年。M75至少生产了494具,而XM129至少生产了1,667具(另一说法是1355具)。在1966年至1967年,还研制了一种XM129的手动操作型XM173,但只制造了6具。
![]() XM79榴弹发射器,枪管上方的是凸轮鼓 |
![]() XM129榴弹发射器,枪管后面的就是凸轮鼓 |

XM129的结构

装在三脚架上的XM129

40×53mm榴弹,蓝色弹头的就是练习弹,撞到目标上只会粉碎不会爆炸
| M75 | XM129 | |
| 发射器长 | 572mm(22.5") | 597mm(23.5") |
| 枪管长 | 348mm(13.7") | 419mm(16.5") |
| 发射器宽 | 203mm(8") | 226mm(8.9") |
| 发射器高 | 229mm(9") | 234mm(9.2") |
| 发射器重 | 12.2kg(27 lb) | 19.5kg(43 lb) |
| 枪口初速 | 240m/s(790 fps) | 240m/s(790 fps) |
| 理论射速 | 225 rpm | 440 rpm |
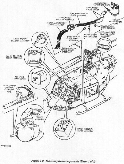
M5直升机武装子系统
M5型武装系统在1958年至1975年间使用,是一种安装在机鼻位置上的球形炮塔吊舱,最初安装的M75榴弹发射器,后来改为M129榴弹发射器。M5武器系统可安装在UH-1B、UH-1C、UH-1M“休伊”系列直升机上,同时也用于ACH-47A“Guns-A-Go-Go” 。M5系列使用盒形弹箱时携弹量为150发,使用鼓形弹箱时携带量为300发,后者把弹链装在一个302发容量的带输弹器的滚筒弹箱中,通过一个输弹槽送到榴弹发射器内。带反射型瞄具的操纵手柄安装在副驾驶座位上,控制安装手以上的副驾驶的座位上。



![]() 弹箱放在座椅底下 |
![]() ![]() 弹链的走向 |
![]() 输弹带在机鼻上的接口 |
XM8直升机武装子系统
XM8是在1967年至1972年间试验和使用的一种轻型直升机遥控榴弹发射器系统,用于安装在OH-6A或后来的OH-58轻型观察直升机的左侧,和XM27(M134机枪)武器系统相似。XM8系列最初是安装M75自动榴弹发射器,后来改为安装XM129。一个XM8系统携带150发,可作俯仰调整,由副驾驶控制瞄准和射击。
|
|
![]() ![]() |



XM8的前身,在YOH-4直升机上试验过40mm榴弹武装系统
XM9直升机武装子系统
XM9武装系统是用UH-1两侧的遥控武器系统,是把M75榴弹发射器安装在M21(M134机枪)的遥控射架上使用,可作俯仰角的调整,携弹800发。同系列遥控武器的还有XM93(M60E1机枪)和XM93E1(M134)。

XM9的弹药箱
XM94是在1969年至1975年间试验的一种直升机载XM129榴弹发射器,是安装在机舱侧门上的侧射武器。
M28直升机武装子系统
M28(TAT-141)/M28A1是AH-1“休伊眼镜蛇”的炮塔武器之一,在1966至1975年间研制、生产和使用。这原本是由贝尔207的实验型机鼻炮塔XM64机枪演变而来,XM64原本只安装M134机枪,而M28可安装两件武器,要么是两挺M134(各备弹4000发),要么是两具M75或M129榴弹发射器(各备弹400发),当然也可以一挺M134机枪加一具M75/M129榴弹发射器,而这是大多数的配置方式,因此控制时可选择两门武器同时射击,或单独射击其中一门。M28的俯仰角为+20°~-50°,周向角度为左右各110°。M28的数量不多,只生产了954套,而M28A1是超过332套。
|
|
XM51武装系统在1966年至1972年间研制,是用于洛克希德AH-56A“夏延人”高速武装直升机的直射武器系统,包括一个安装在机鼻下方的XM129榴弹发射器(也可以换成XM196机枪),及备弹780发的电动鼓形弹箱,可通过XM110头盔瞄具进行瞄准和转向,或XM112射手控制装置和XM114反射瞄具进行控制。
![]() XM51的安装布局 |
![]() XM51的炮塔和弹箱 |

XM129是美国陆军的武器,但上图中这两门XM129据说是美国海军早年研制的一种名为XM149的双联榴弹发射器武器系统。XM149是为AP-2H武装侦察机试验的一种武器。

AP-2H飞机
|
资料来源:Aircraft Armament and Small Arms Product Center 《THE MACHINE GUN》Volume V(1987年版) |
2009-06-20/2016-03-12 |