| 美国轻武器 |
M79榴弹发射器 |
|
|
口径: 40×46mm SR |

在1951年,当时的美国陆军意识到,在手榴弹的投掷距离(约50米)和60mm迫击炮的最小射程(约400米)之间,有一道火力空白需要填补,枪榴弹本来正适合用于填补这片火力空白,但发射枪榴弹时的步骤繁琐、射速慢,而且射击精度太低。
在1952年,陆军研制了一种合适的“炮弹”,战斗部是一枚直径40mm的预制破片球,装入高爆炸药,由金属线制成,爆炸后产生大量的杀伤破片。以发射这枚战斗部为基础,在1952至1953年间开始了一系列的发射器的测试,早期的测试的样机包括有用弹簧作动力的发射器,以及M1伽兰德步枪的杯型枪榴弹发射器,这个研究的代号为“尼布利克项目(PROJECT NIBLICK)”,但试验中的这几种发射方式都不理想。
而在同一的时候,皮卡汀尼兵工厂设计了一种长约46mm的短粗形弹壳,里面采用所谓的“高/低压”原理,用于发射出这种40mm的“炮弹”。高/低压原理是在弹壳内部底部有一个小的厚壁壳装药室,作为发射药的存储室,药室周围有6个泄气孔,药室和弹壳、榴弹之间是空的。发射时药室里是“高压区”,而火药燃气进入弹壳的空间内形成“低压区”,把弹头推出枪管。这种高低压原理能减轻枪管承受的压力,降低弹头的初速,使得该系统重量轻、声音小、枪管也不需要很厚,由此诞生了M406破片杀伤高爆榴弹。

春田兵工厂也在1953年开始设计发射这种40mm高/低压榴弹的若干发射器,样机也设计了好几种,其中一种单发、枪管撅开式装填的方案S-3被选中。经过改进后,又命名为S-5,样子就像一把大号的短筒猎枪。最后美国陆军部在1960年10月把S-5定型为XM79。经过进一步的试验和改进后,XM79在1960年12月15日被正式定型为M79并计划装备部队。
1961年,首批M79榴弹发射器交付给美国陆军。1962年M79榴弹发射器和M406高爆杀伤弹开始在越南战场上使用,由于其轻便、可靠性,在训练有素的射手手中准确,为最小的步兵单位提供了极为方便的机动火力,因此美军士兵都很喜欢在战斗中有M79的伴随,大家都戏称它是“排长的炮兵”。有部分士兵还截短枪托和枪管,使M79更加方便携带。由于其发射时的效果,美军士兵还给它起了其他的绰号,有Thumper、Thump-Gun、Bloop Tube和Blooper等等,而澳大利亚士兵则称其为Wombat Gun。
而由于M406高爆杀伤弹的成功,也促使军方迅速研制了其他几种40mm弹药,包括烟雾弹和照明弹,以及杀伤/反坦克两用弹、燃烧弹、鹿弹(近战中自卫用的霰弹)。
它只能单发射击,重新装填和瞄准都需要时间,因此射速比较缓慢,有时无法跟得上战斗过程中的敌情变化。另外,为避免射手自身被爆炸破片所伤害,榴弹设有最小射程(必须自转飞行大约30米才能解开保险),因此榴弹射手不得不另外配备手枪或冲锋枪作为个人的自卫武器。而由于40mm榴弹的体积和重量都比较大,单兵携带的弹药量有限,在持续的激烈战斗中很容易就消耗光随身携带的弹药,到时候就只能依靠自卫武器来继续战斗。这正是后来研制XM148和M203等下挂式榴弹发射器的原因,因为下挂式榴弹发射器允许榴弹射手本身也可以是步枪射手。
![]() 越战中的美军步兵武器 |


越战中使用M79的不只是美军和南越军队,还有澳洲军队

T148E1是一种3连发的M79试验型,但由于极不可靠,没有获得采用



XM148的设计有些问题,所以在常规部队的试验中并不被看好,但在海豹这些规模更小的作战单位中却很受欢迎。后来M203获得了成功,并于1969年开始装备部队,在1970年代初全面替换M79。下挂式榴弹发射器可以把步枪射手和榴弹射手合二为一,不单独占据单兵编制,因此可以配属到每个班2~3支M203,战斗中归班长指挥,而M79在一个排中也就一、两支,战斗中归排长指挥,两相比较,下挂式榴弹发射器可以构成更强的火力。
M79在1975年全部退出美军现役,撤换下来后先是转入国民警卫队使用,然后又留作战略储备或支援外国军队。近这几年,一些海豹突击队和陆军特种部队在伊拉克被发现使用了M79,可能是由于M79比M203有较高的射程和精度;也可能是由于短突击步枪的流行,他们不想在这样短小轻巧的CQB武器上挂上一支沉重的M203。此外,在伊拉克自由行动中,也发现有工兵使用M79来清理简易爆炸装置。
除美军外,M79也被其他国家的军队所装备,如澳大利亚、萨尔瓦多、以色列、马来西亚、沙特阿拉伯、约旦、土耳其等等近30个国家。目前仍然有不少国家把M79列为制式装备。另外也有一些地方的执法机构使用M79发射催泪弹、橡皮弹等非致命弹药,作为防暴器材使用。
在美国,有几个承包商一起生产M79,除春田兵工厂外,还有Action Manufacturing Company,Exotic Metal Products,Kanarr Corporation和Thompson-Ramo-Woolridge。到1971年停产时,美国一共生产了超过350,000支M79。另外,M79也由南韩的大宇公司和南非的米尔科姆公司(Milcor)授权仿制。米尔科姆生产的M79把机械瞄具改为准直式瞄准仪,又把玻璃纤维枪托改为R4/R5步枪的金属骨架枪托。




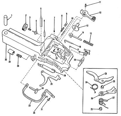
M79榴弹发射器是一种单发射击、枪管撅开(转动开膛)、后膛装填的肩射武器,视觉上看,M79榴弹发射器就像一支大口径的撅开式短筒猎枪,而且设计简单,只有五个部分:发射管(枪管)、机匣(包含击发机构)、前托(护木)、肩托(枪托)和瞄准装置。
线膛枪管与 机匣前下方通过轴销铰接在一起,使枪管可以绕轴销旋转与机匣扣合或解脱。装填时,操作机匣顶部锁定枪管的卡笋,使枪管解锁后便可向前下方旋转打开枪管,把40mm的各类弹药从枪管尾部装入,然后再把枪管转回来被枪管卡笋重新锁定。在操作枪管完成装填动作的同时,保险机和击锤会自动处于保险和待发状态。扳机护圈也是铰接,可以左右转动到一侧,便于在冬季戴手套射击。
枪托最初是木制的,后来改为玻璃纤维,托底板安装有橡胶缓冲垫,能吸收一些后座力,用一个螺丝固定在机匣上。而前托一般为木制,固定在枪管底部。
开放式瞄具包括准星和可折叠的立框式表尺,安装在枪管顶部的前后两端。准星部分包括固定式片状准星和准星护耳。表尺部分包括游标及缺口照门,并设有风偏修正分划和高低分划微调螺杆,射程装定从75米至375米,增量为25米一格。表尺折叠后,有一个100米内用的直射用缺口照门。据说受过训练的射手直接利用枪管瞄准,也能取得相当好的射击精度。在枪管侧面安装上M5枪榴弹发射器瞄准具后,可以M79当作迫击炮使用,间接瞄准射击近距离(障碍物后)的目标。不过有一些熟悉的射手M79竖起来用时根本不需要瞄具。
![]() 表尺放倒后,有一个直射用的照门仍旧可与准星配合 |
![]() |
![]() M79的瞄准姿势 |
![]() 正确的瞄准图像 |

安装上M5枪榴弹发射器的瞄准具后,还可以间瞄射击

各种射击姿势
M79榴弹发射器的动作过程如下:
|
枪管解锁:滑动枪管卡笋,使枪管解锁。 待击:枪管转动时,带动待击杆,使击锤转动,被阻铁扣合,形成待击状态。 抽壳:枪管打开后,抽壳钩会把枪膛内的弹壳向后拉出约1/2英寸。 抛壳:M79榴弹发射器不能自动弹出弹壳,必须让射手用手抽出。(电影T2中,州长大人是把枪管竖起来,让弹壳在重力的作用下掉出来) 装填:把新的榴弹插入枪管尾部。 关闭枪管:转动枪管,让枪管卡笋重新扣合枪管。 打开保险:关闭枪管时,手动保险也会自动关闭,射击前,必须用手把保险钮向前推至露出字母“F”。 射击:扣压扳机,阻铁移动解脱击锤,使击锤敲击击针,击针撞击底火。底火点燃高压室内的发射药,在高压室里产生约35000磅(2,461 kg/cm2)的压力,冲破6个泄气孔的密封铜片后,火药燃气进入低压室,压力下降到3000磅(211 kg/cm2),把弹头以250fps(76 m/s)的速度推出枪管。 |
|

M79能够发射的各种弹药
M79配用的弹药类型有多种,包括包括:M406、M381、M386、爆弹(HE),M430杀伤/反坦克两用弹(HE-DP),M397、M397A1跳炸弹、M576鹿弹(4号铅霰弹)、M651催泪弹和M382、M781、M407A1训练弹等等。由于撅开式的装填方式,枪管扣在机匣上,不能承受太大的膛压,因此在M203装备部队后研制的某些新弹药不能在M79上发射,如M441高爆弹、M433两用弹等。但也有一些新的非致命性弹药因为膛压很低,所以仍然能与M79通用,如M1006海绵棍弹和M1029人群驱散弹(橡胶霰弹)。
| 发射器长 | 29" (737 mm) |
| 发射管长 | 14" (356 mm) |
| 空重 | 6.0 lbs (2.72 kg) |
| 膛线 | 6条,右旋,缠距1219mm |
| 初速 | 76 m/s |
| 点目标 | 150 m |
| 面目标 | 350 m |
| 最大射程 | 400 m |
| 战斗射速 | 6~8 rpm |
| 扳机扣力 | 7.5~10 lbs (3.4~4.5kg) |

枪管锁定卡笋和后面的滑动式保险
![]() |
![]() |

在伊拉克使用M79的海军陆战队员



参与刺杀本拉登的退役DEVGRU队员Matt Bissonnette(化名Mark Owen)在2012年出书《NO EASY DAY》中介绍他的装备,这种截短枪管和枪托的M79被称之为“海盗枪”(pirate gun)


在2013年,Matt Bissonnetter推广新书《NO HERO》时再晒他的M79海盗枪

似乎是把M79的枪托改装金属三角形骨架,但看不出是否可折叠式
![]() 装填非致命弹药的M79 |
![]() 2007年,美国一个执法机构的开放日上展示的M79 |


2014年,越南仍在使用当年缴获的M79,他们还加上了红点镜

2018年的照片,装备波兰PM63冲锋枪和原版M79的越南士兵
![]() 越南仿制的M79,名称是SPL40,在外观上与原版M79的区别是发射管外表有数道环节凸起,而原版M79的发射管外表是光滑的 |
![]() ![]() ![]() ![]() 使用SPL40的越南军队 |





在网店上销售的M79,机匣铭文说明这一件商品是Kanarr Corporation的产品


截短枪托和枪管的M79,但这些不是越战遗留的物资,而是现在的玩家仿照着改装的


《未来战士2》里面,州长大人使用M79的动作相当潇洒

南非生产的M79,枪托是倒过来的R4步枪折叠枪托,瞄具改为准直式瞄准仪

在美国民间市场上,M79榴弹发射器由于被归类为“毁灭性装置”(Destructive Devices)而受到NFA(国家轻武器管制)的限制,榴弹发射器本身属于三级武器,购买时要向BATF交200美元的税,而爆炸性的40mm榴弹也属于受管制的三级武器,每买一枚都各需要交200美元的税,一点都不合算,如果是蓝色的练习弹或烟雾弹什么的,虽然不属于管制范围,但高价买个榴弹发射器却只能打练习弹玩玩又没意思。另外并非所有的州都允许民间合法购得军用标准的40mm M79及其弹药,有些州对军用武器的限制极为严格,于是有些厂家专门生产了这种口径缩小到37mm的M79枪管,把40mm口径的M79改装成只能发射练习弹、催泪弹、防暴橡皮弹之类的低杀伤力的弹药的M79。
|
创建2011-05-31 / 更新2026-02-11 |