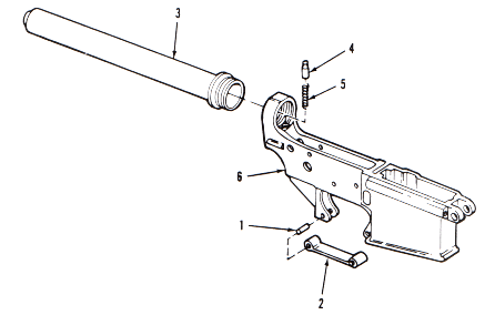
下机匣部分

(1) 扳机护圈转轴
(2) 扳机护圈
(3) 缓冲器套管
(4) 缓冲器固定销
(5) 缓冲器固定销顶簧
(6) 下机匣

〈〈〈〈〈返回〈〈〈〈〈