| →AR-15/M16专辑首页 |
Z-M公司的LR300系列 |
|
|
口径: 5.56×45mm NATO 或 .223 Rem |

| 视频下载内容 | 下载链接及预览图 | 格式 | 时间长度 | 容量 | 来源 |
| Z-M LR300介绍及射击 | ![]() |
RM | 1分36秒 | 2.62MB | Armed Forces Joumal |
LR-300系列是一家名为Z-M武器(Z-M Weapons)公司以AR-15/M16为基础开发出来的轻型步枪(Light Rifle),该公司位于美国马萨诸塞州Bernardston,专攻AR-15/M16的零配件,而LR-300是他们唯一卖的成品枪,但也提供这种枪的上机匣改装套件。LR-300主要在2000年至2007年间销售,然后Z-M公司被卖给了帕拉美国公司(Para USA,是加拿大帕拉公司的美国子公司),从2009年开始LR-300更改了导轨型护木后重新推出市面。
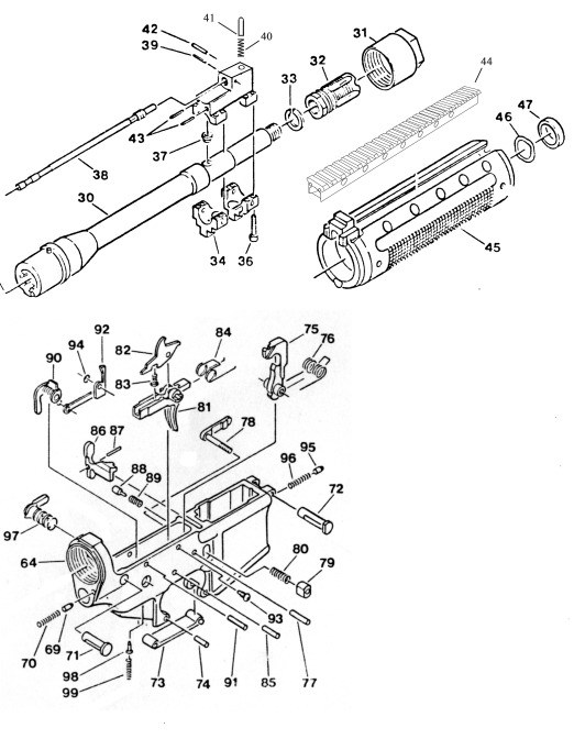
LR-300的导气系统是Z-M公司的创始人艾伦·齐塔(Allan Zitta)所设计的一种独特系统,现在这种导气装置被取名称为“延迟冲击导气系统”(Delayed Impingement Gas System),简称DIGS。原本AR式的气吹(直接导气式)结构是火药燃气通过一根细长的导气管直接撞击在枪机框上的一个短活塞,因为这个短活塞就位于枪机框上,而不是在导气箍上并通过一根长长的活塞杆来推动枪机框运动,因此气吹式就不被认为是导气活塞式。而DIGS的结构其实是把原来的枪机框活塞向前延伸成管状(被称为导气座),看起来好像是一根长行程导气活塞,但里面其实是空心的。而原来的细长导气管也被截得很短,并伸进导气座里面。火药燃气通过被截短的导气管先进入导气座的空腔里,最后像传统的气吹式一样冲击到导气座的底部(相当于原来气吹式的枪机框活塞),此时才推动枪机框运动。但因为火药燃气都在导气座里,因此不会像传统的气吹式那样进入枪机系统,因此火药燃气残渣就不会滞留在上机匣内,能像导气活塞式一样保持了动作机构内的清洁,提高了持续工作时的可靠性,但重量也双导气活塞式要轻,据说比起活塞式还有助于降低后坐力。

上机匣分解,25号就是导气座

枪管及
下机匣分解,38号零件就是截短的导气管

AR式的枪机组,OP ROD就是枪机框上的短活塞,而LR-300的导气座就是在短活塞前面连接上一根空心管
另外,因为复进簧绕到导气座上,而不像传统的AR式那样在机匣后面伸出一截缓冲器管,因此LR-300还能在机匣尾部安装折叠枪托,从而缩短携行长度。
2009年前提供的产品主要有两个型号,军/警用途的LR-300M/L(Military / Law)和射击运动用途的LR-300SRF(Sport Rifle),LR300M/L有半自动/全自动或纯半自动两种型号,而SRF则只可半自动,用户只需通过改换下机匣和枪管就可以在M/L型和SRF型之间转换。当然,普通平民是不能购买M/L型的零件的。这两种型号都采用尼拉特隆(Nylatron)材料的护木。
在2009年后增加了采用铝合金导气型护木,于是2009年前的旧版被重新命名为LR-300 SR-N和LR-300 ML-N,而采用铝合金护木的新型号则相应命名为LR-300 SR-A和LR-300 ML-A(铝的英文为Aluminum)。
LR-300采用平顶型机匣,使它们能安装多种类型的瞄准具。板机和拉机柄、弹匣钮和挂机柄及其他都与AR-15相同,步枪的握把倾角与约翰·勃朗宁的M1911手枪相同,在Z-M公司的宣传资料中被称为“完美式”的手枪握把倾角的“黄金标准”,LR-300使用这种握把倾角据说会比其他步枪更容易控制和更舒适。
LR-300的几种型号都有.223雷明顿(旧的M193)和5.56 NATO(现在的SS109/M855)这两种口径,并通用M16/AR-15供弹具。据称LR-300ML的有效射程达300米(但对于不足12英寸长的枪管来说200米外都有些勉强)。
| LR-300 ML | LR-300 SR | ||
| 全枪长 | 枪托折叠 | 21.5"(546 mm) | 26.5"(673 mm) |
| 枪托展开 | 31.0"(787 mm) | 36.0"(914 mm) | |
| 枪管长 | 11.5"(292 mm) | 16.5"(419 mm) | |
| 空枪重 | 6.9 lbs(3.1 kg) | 7.2 lbs(3.27 kg) | |
| 理论射速 | 950 RPM | ||

护木上盖拆开后看到的绕在导气座上的复进簧

拆掉导气座后就能看导气箍后面的短导气管

导气座的外形看起来很像导气活塞,但其实是空心管


旧护木的内部

改成帕拉公司后的新护木

![]() 2009年前的LR 300-ML,在2009年后叫LR 300-ML-N |
![]() ![]() 2009年前的LR 300-SR,在2009年后叫LR 300-SR-N |
![]() |
![]() ![]() |
| LR300M/L的标准型 | 配置不同枪口装置的LR300SRF |
![]() |
![]() |
| 护木下方的小握把可以安装在不同位置上 | 这个既可伸缩又可折叠的枪托是LR300的特色 |
![]() |
|
| 准星 | 可选择安装的准星照门 |
![]() |
![]() |
![]() |
| M/L型的消焰器特写 | 两种不同的消焰器,是SRF型使用的 | |
![]() |
![]() |
| LR300一样可以安装M203PI榴弹发射器 | 在顶部装上瞄准镜座导轨,准星和照门都是外接的 |




2006年时的LR-300-SR

LR 300-SR-AXL的上机匣装配Dlask Arms DAR 701下机匣




2009年后的帕拉战术靶枪(Tactical Target Rifle),简称为TTR,其实是LR-300-SR的新版本




| 资料来源:Z-M Weapons |
创建2000-08-02 / 更新2012-01-27 |