| >美国轻武器 |
M2航空机枪 |
|
|||||||||
|
口径: .50 BMG |
|||||||||||

.50口径勃朗宁机枪航空型的最早型号是温彻斯特公司在勃朗宁M1917的风冷航空型M1918的基础上放大成.50口径的试验型,但该枪并没有获得采用。后来的M2机枪有三种型号:水冷防空型、风冷地面型及风冷航空型。风冷地面型及风冷航空型都使用同样的枪管,性能上的区别是后者的射速比前者高,为每分钟750~850发。在风冷地面型改用重型枪管后,M2基本型就只剩下射速较高的航空型,地面型只剩下M2水冷型和M2HB。因此一般飞机上所使用的M2机枪或M2基本型,通常就是指这种射速较高的航空型,有时也称为AN/M2。
M2航空型在二战中大量使用,有固定型和活动型两大类。前者有一部分是直接安装在机身或机翼上,只能作航向射击,作进攻用途;另一些则安装在炮塔上,用作防御射击。后者也是防御用途,一般装在活动枪架上,并配有握把,由机组成员直接操作。
虽然M2航空型不能快速更换枪管,也不像M2HB那样使用重型枪管来增加热容量,但飞机在飞行时的枪管附近的高速流动的空气有助于加速枪管的冷却,所以即使射速比较高也不容易产生过热的问题,而且在空战中目标稍纵即逝,提高射速可以在短时间内发射形成更密集的弹幕,有利于提高命中机会。
二战后美国陆军曾经在M2航空型的基础上改用重型枪管,研制了一种T42试验型高射机枪,在1950年和1951年时曾装到M46坦克上试用。有意思的是,日本通过缴获的M2航空型进行研究,仿制了勃朗宁的动作机构,把M2机枪放大成20mm、30mm和37mm的机炮。在直升机的时代,AN/M2还被装在各种各样的武器系统上,作为直升机的攻击武器或防御武器。



装在活动枪架上的M2机枪
![]() B17“空中堡垒”上的M2机枪总数不下于10挺 |










史上最糟糕工作环境之一,就是
B-17底部的T109球形炮塔


蜷缩在球形炮塔内是个什么感觉?就是像下图这两种姿势,但绝不唯美


米24V一个丧心病狂的升级计划,其实是恶搞的重武装型米24,由贝尔和米里合作,称为“贝里米24RS”(BellaMi-24),其中武装系统之一就包括在机腹尾部装上一个二战轰炸机的机腹球形炮塔

一种试验性的B17G机鼻遥控枪塔,安装有2x3挺AN/M2

B-24上的机枪布局









B24“解放者”早期的机鼻上有3挺不同方向的M2,后来改成和尾炮塔一样的双联机枪旋转炮塔















不同型号的B25,机鼻武器有安装在活动射架上的M2,也有固定安装航向射击的M2,甚至还有75mm M5加农炮(B25H)


B-25机鼻上的M2活动机枪








B-29轰炸机因为采用增压舱,所以M2机枪的炮塔为遥控韧皮操作,最初是双联机枪,后来改为四联机枪,操纵的枪手就坐在炮塔后方




P-39战斗机上根据不同的型号分别有2挺或4挺M2机枪(前者为2挺机鼻上的同步机枪及4挺机翼上的.30机枪,后者机翼上改为2挺M2机枪)


F6F“地狱猫”(我相信美国飞行员更喜欢“泼妇”这个含义)上的6挺M2机枪
![]() ![]() A-26A的机头共有8挺固定的M2机枪 |
![]() 火力齐射的A-26A |
![]() A-26B机头的M2机枪在装弹 |



TBM-3有一挺后射的M2机枪,有一部分是安装.30口径的M2,另一些则安装.50口径的M2




M2航空型在二战期间也有美国以外的用户,例如英国喷火Mk VII战斗机就安装有4挺M2

两挺并联AN/M2航空枪塔装在车上




FAV的始祖——二战时在北非的SAS和沙漠渗透侦察大队(Long Range Desert Group)和使用的DIY攻击车,虽然大多数装备风冷型维克斯机枪,但也有一些是配备了M2机枪航空型

在美军早期对直升机携带武装进行实验的时候,在一架CH-21机腹安装了两挺AN/M2机枪

普通的没有武装的CH-21





H-21C上试验的另一种武装方式,把B29轰炸机上的遥控AN/M2炮塔装到直升机的机首下方











ACH-47炮艇直升机上共配备5挺AN/M2,左右各2挺,尾部跳板1挺
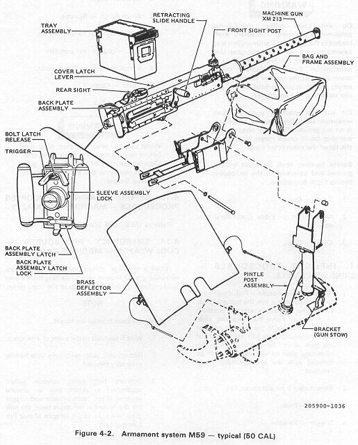
XM213/M213是AN/M2的现代化改进型,有部分是新生产的,但也有部分是用库存的AN/M2转换而成的。是装在枢轴枪架上作为直升机的门枪使用,通常称为M59直升机武装子系统,越南战争时期在UH-1体系上使用。XM213/M213的枪口形状不同于其他的AN/M2,比较好辨认。M59武装系统不仅在枪架左侧有一个弹箱,在枪架右侧也安装有一个弹壳收集袋。

M213机枪


M59武装系统的组成



















不知道是前线部队的XM213数量不够或其他原因,在越战中也有不少把M2HB改装成“休伊”门枪的做法
GAU-15/A在定型前叫XM218,是M213的轻量化改进型,枪架上带有一个100发弹链箱。GAU-15/A并非美国陆军的制式装备,但广泛应用于美国空军、海军和海军陆战队的H-46、UH-1N、H-53等直升机。而GAU-16/A则是GAU-15/A的进一步改进,主要是改进了扳机组和瞄具,并改进了软性枪架的缓冲装置,进一步降低后坐时产生的震动。GAU-16/A最初装备于海军陆战队的UH-1N,后来也用于H-46、H-53和H-60。在2007年,海军计划改进GAU-15/A和GAU-16/A的轻型枪管容易过热的问题,但这个问题直到2010年仍列作待解决项目。









GAU-16/A,在外观上识别的话,比起GAU-15/A是改变了握把形状和增加了环形瞄具
XM296/M296是AN/M2机枪的一种衍生型,用于OH-58D“基奥瓦勇士”直升机的外挂机枪,在1990年代研制和装备。M296不同于其他的AN/M2航空型,它的射速在500~850 RPM之间可调,而且取消了单发功能。机枪安装在一个巨大的框架式枪架内,这个枪架其实是一个缓冲装置。因为是用作飞行速度相对缓慢的旋翼飞行器上使用的气冷型机枪,所以M296的手册规定在训练时射速调低至500发/分,每次长点射不超过6秒(即最多射击50发),一分钟最多只进行3次长点射,也就是每分钟最多只射击150发。而实战时射速虽然不受限制的,但要求长时间持续射击后至少冷却10分钟,以避免枪管过热。
在2004年的时候,陆军导弹司令部打算采用FN公司生产的M3P来改进M296,在2007年第17骑兵团提交了一份申请,评为M296不可靠,要求替换新的武器。经过美国陆军训练与条令司令部和基奥瓦产品办公室的论证研究后,最终确定了FN M3P是几个解决方案中的最佳选择。从2009年开始,新的增强型M296系统便开始换装FN M3P。


XM296通过机腹吊架吊挂在OH-58D的左侧


M296的机枪架
![]() ![]() 把XM296挂在MD530F的机舱侧面 |
![]() 墨西哥使用的MD500上挂载的XM296 |


OH-58D升级成OH-58F时,用FN M3P替换安装M2的M296,这种新机枪也取消了原来庞大的枪架
| .50 BMG简史 | 结构/原理 | 水冷型 | M2HB | 车辆平台 | 水面平台 | M2A1 | M2航空型 | M3航空型 |
|
创建2012-12-03/更新2026-03-23 |