| >美国轻武器 |
M1伽兰德步枪 |
|
||||||
| >>M1伽兰德步枪 |
——结构特点 |

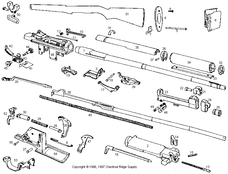
M1伽兰德步枪主要由枪管和机匣组件、活塞/机框组件、枪托、弹仓、前后护木及击发和发射机构等部件组成,采用导气式工作原理和枪机回转闭锁方式,由击锤打击击针击发枪弹,空枪重4.3公斤,全长43.6英寸(约1107mm),枪管长24英寸(约610mm)。
最初的M1步枪导气装置是从一个枪口套式的装置提供的,但这种设计并不可靠,于是从1939年后的M1步枪取消原来的枪口罩,改为在枪管下方靠近枪口的位置上设一个导气孔。发射时部分火药燃气通过该导气孔进入位于枪管下方的导气室内,并推动一个长行程导气活塞,活塞向后运动并通过连杆推动机框,机框经过8mm的自由行程后,枪机上的导向凸轮沿机框导槽的直槽部分滑动。在机框继续后坐时迫使导向凸轮向上,带动枪机由右向左转动,使枪机上的两个闭锁突笋从机匣的闭锁槽中解脱出来,实现开锁。枪机后坐过程中,拉壳钩、抛壳挺完成抛壳动作。与此同时,枪机后端压倒击锤,击锤簧被压缩,击锤成待击状态。当机框尾端撞击机匣后端面后,复进簧开始驱使枪机组前进。当枪机复进到接近闭锁位置时,机框导槽导引枪机上的导向凸轮向下转动,带动枪机由左向右转动,直至两个闭锁突笋进入闭锁位置。此后机框继续复进8mm自由行程,枪再成待击状态。

两种导气装置,左边为早期的枪口罩式,右边为1939年采用的导气孔式


两种导气装置的外观,上为枪口罩式,下为导气孔式


击发和发射机构动作:(a)扣压扳机,扳机连杆向前,解脱击锤;(b)枪机后座,压倒击锤,第二阻铁与击锤上的辅钩扣合,(c)松开扳
机,击锤为第一阻铁挂住。
| 枪机在打开状态时的情形
|
| 枪机复进后,把弹仓中第一发弹推进弹膛
|
| 击发瞬间
|
| 部分火药燃气通过导气孔进入气室,推动活塞后坐
|
| 活塞连杆与推动机框后坐,枪机开锁
|
| 枪机后坐时,抽出空弹壳
|
| 抛壳
|
该枪的扳机上有扳机连杆和钩状第一阻铁。扣压扳机时,第一阻铁随之向前运动,带有阻铁簧的第二阻铁则装在扳机连杆上。击锤上有两个钩,当击锤被完全压倒时,两钩呈水平位置,但一个朝前称为主钩,一个朝后称为辅钩。
另外,在1940年以前的复进簧是缠绕成“方形”的,从1940年底开始被换成盘旋缠绕的弹簧。
手动保险卡销在扳机护圈前面,把它向后推到保险位置时,其上方的缺口便与击锤上的凸肩扣合,从而卡住击锤,同时还把击锤推向后方,与阻铁解脱,此外保险卡销还阻止了扳机运动,使扳机扣不动。
M1步枪采用木制的整体式枪托,枪托底部有钢制托底板。在1940年以前生产的M1步枪为实心枪托,在1940年底以后生产的M1步枪在枪托内增设了附件室,存放维护工具。早期的枪托左侧还标有“SA/SPG”的字样。SA代表春田兵工厂,SPG是当时主检验工程师斯坦利·P·吉布斯的缩写。吉布斯离任后,枪托上的标志是春田兵工厂指挥官的英文名缩写。
M1步枪的准星设在枪口导气箍上,片状准星,有护翼保护。觇孔式照门安装在机匣后上方,表尺分划为英制单位,从200码~1000码(约183m~914m),每100码为一个增量。枪口的前护手部分可作为刺刀座。
M1步枪配用一些不同形式的刺刀,包括刃长16英寸(406mm)的M1905式,刃长10英寸(254mm)的M1905E1式,刃长10英寸(254mm)的M1式,和刃长6英寸(152mm)的M5式。枪管上可套上M7式枪榴弹发射套管,并在扳机前方安装M15式枪榴弹瞄准具。


M5刺刀

安装M7枪榴弹发射器的M1伽兰德


M7枪榴弹发射器的瞄具

配用的各种弹药,包括专门的枪榴弹,及用枪榴弹尾管结合的手榴弹




M7A2发射器

M7A3发射器



冬用扳机
M1步枪采用整体式弹仓供弹,在原本使用0.276佩德森步枪弹时,其弹仓容量为10发,但当改为M1906式.30-06步枪弹(7.62×63mm)后,由于弹壳直径增大而使容弹量减少到8发。装弹时,先打开枪机,把一个装有8发枪弹的漏夹从顶部整个插入弹仓内,然后该漏夹会留在弹仓内直到8发枪弹都射完,一旦弹仓(和漏夹)打空后,枪机被挂起,同时空的漏夹会被托弹板从弹仓中弹出,此时可以再次装填。这种供弹系统最大的缺点就是装填不方便,例如在弹仓未打空的情况下,即使只剩下一发子弹,也无法立即更换上一个全满的弹夹。如果要把半满的弹仓加满,只能逐发逐发地用手装填。而如果要把半满的弹夹取出,就需要两手并用,先拉开枪机,再压下机匣左侧的弹夹卡扣,让弹夹连同剩余的枪弹一起从步枪中抛出。
关于M1步枪的供弹系统还有另一个令人诟病的地方,当空的漏夹被顶出时会伴以清脆响亮的金属锵镪声,虽然会提醒射手及时装填,但同时也可能会提醒敌人这支枪正在装填不能继续射击。传闻在二战中有些德军士兵听到M1步枪的弹夹抛出声时,就趁机突击,据说还有一些美军士兵反过来利用这个特点,他们会事先故意扔出一些空漏夹发出响声来诱杀敌兵。但有关漏夹噪声的故事很难找到具体的实例,M1步枪抛弹夹的声音并不比枪声大,而在炮声轰隆的战场上,距离稍远一点这种锵镪声就很容易被嘈杂的战场环境所掩盖。此外利用对方装填时进行攻击也只能在一对一时有效,在战斗中不大会出现整班、整排的美军士兵在同一时刻打空弹仓的情况,何况在一支美军小分队中还同时装备有冲锋枪、卡宾枪、轻/重机枪等多种轻重武器,就算最白痴的德国士兵也不会笨到听到锵镪声就立即冲出来送死。而且尽管这种供弹系统在装填方面不便利,但在面对以手动步枪为主的轴心国军队时,M1步枪的半自动火力仍然极具优势。
| 全枪长 | 1103 mm |
| 空枪重 | 4.37 kg |
| 枪管长 | 610 mm |
| 初速 | 865 m/s |
| 枪口动能 | 3597 J |
| 瞄准基线长 | 710 mm |
| 有效射程 | 440码 |
| 容弹量 | 8发 |
| 膛线 | 4条,右旋,缠距254 mm |

枪托内携带的附品
![]() 往漏夹里装入枪弹 |
![]() 拉动机柄,使枪机挂住 |
![]() 把装满枪弹的漏夹压进弹仓内 |
![]() 压下漏夹直到锁住 |
![]() 推回机柄,使枪机关闭 |
|

![]() M1伽兰德步枪通过抛壳口装填 |
![]() 枪机打开后的抛壳口 |
![]() 枪机关闭后的抛壳口 |
NM级步枪的照门




| 伽兰德步枪简史 | 生产情况 | 结构特点 | 狙击型(M1C/M1D) | 其他型号 | 其他口径型号 |
|
资料来源:Chestnut Ridge Supply Gun Parts 国防工业出版社出版《国外轻型步兵武器》下册 Modern Firearms & Ammunition site FM 23-5〔M1步枪手册〕 |
2007-02-14 |