| →美国军用轻武器 |
M134 Minigun系列机枪 |
|
|
口径: 7.62×51 mm NATO |
| M61 ◇ GAU-4/A [XM130] ◆ M195 ◆ M197 ◆ GAU-7/A ◆ GAU-8/A ◆ GAU-13/A ◆ GAU-12/U ◆ GAU-22/A ◆ XM188 ◆ XM301 ◆ T250 |
| M134 [GAU-2B/A]及其应用:固定翼飞机 ◇ 直升机 ◇ 舰艇 ◇ 地面 ◇ 民间 ◆ XM196 ◆ XM214 ◆ GAU-6 ◆ GAU-19/A [GECAL 50] |

当美国介入印度支那事务时,他们很快就发现他们需要武装他们的直升机,以对抗敌军步兵的近距防空火力。这种情形下通常需要在极短时间内投射大量火力,所以通用电气公司的设计师只是按比例把20mm的M61机炮缩小成7.62×51mm NATO口径,研制出命名为M134 Minigun的加特林原理机枪(空军名称为GAU-2B/A,海军名称为GAU-17/A)。
Minigun概念上的分析和研究始于1960年,而设计定型的生产和测试是在1962年初。美国空军在1962年后期向通用电力公司发出一份合同,要求生产原型枪和机枪吊舱。第一挺Minigun在1962年12月发射。此时,安装M37机枪的C-47炮艇机“侧射”测试项目正在佛罗里达的恩格林空军基地进行,由于M37无法提供足够大的持续火力,Minigun计划的空军军官威廉·欧曼提出把M37换成M134再试试。于是“侧射”项目的试验人员把安装有Minigun的SUU-11/A机枪吊舱换了上去,在1963年11月对使用SUU-11/A的AC-47进行第一次试射。试验成功后,1964年又在春田兵工厂和恩格林空军基地进行更全面的试验和改进。最后,装有SUU-11/A的AC-47炮艇机“喷火魔龙”被派往东南亚进行实战试验,在1964年12月,Minigun第一次参与实际战斗。
AC-47炮艇机经常在夜间执行任务,飞行员绕着目标区飞行,三挺Minigun通过机身左侧舱口向地面目标射击,合起来的火力有18,000发/分钟。由于其火力如同冰雹一般,让人无法躲避,毁伤能力惊人,于是美国空军开始改进更多的侧射式炮艇机AC-119和AC-130。不过随着更多的实战经验发现,7.62mm弹的有效射程较短,对掩体、车辆等目标的毁伤效果也有效,于是装在炮艇机上的加特林武器的口径也随之加大,后来使用了20mm的M61和25mm的GAU-12,而M134也渐渐的不再在大型运输机改装的炮艇机上使用了。
不过对于负重能力较低的轻型固定翼飞机或直升机来说,M134仍然是非常适合的轻型火力压制武器,例如AH-1G“眼镜蛇”武装直升机的机首小炮塔或短翼吊舱,或UH-1“休伊”多用途直升机的门枪等等。
越战结束后,由于没有新的订单,M134处于停产状态,而备件也难找,于是维护人员经常要拆东墙补西墙,再加上越战结束后的美军处于低潮时期,由于没仗可打,训练也少,管采购的军官也不太关心这种结构复杂、维护困难、耗弹量大的武器。
到了1990年代,特种作战的兴起,让M134重新受到重视。目前由美国迪龙-埃罗公司(Dillon Aero)接手M134的生产,而且该公司还对拨弹轮和输弹带等供弹装置作了改进,进一步提高其可靠性,特别是在不需要特殊维护的情况下全枪寿命大大提高了。迪龙公司生产的M134一般称为M134D,M134D再次被大量采用,在美军的许多直升机、小型船艇、轻型战斗车辆上都经常能见到M134D的身影,而且还出口到十多个国家,后来还被USSOCOM定型为Mk44。
另外,任何国家的特种部队都没有装备过单兵携带的手提M134。



M134采用加特林机枪的原理,用电动机带动六根枪管旋转,在每根枪管回转一圈的过程中,它所对应的枪机则在和枪管一起旋转的旋转体上的导槽内作往复直线运动,依次进行输弹入膛、闭锁、击发、退壳、抛壳等一系列动作,所以射速极高。虽然高速旋转的枪管会因离心力的作用导致射击散布增大,但射速高、火力强这两点能弥补精度的不足,反而使得M134成为一种十分有效的杀伤集团有生目标的武器。此外,由于射速是由直流电动机(28伏)的转速来确定的,所以只要改变电流大小,就获得从300发/分到6,000发/分之间的任意一个射速,但在大多数情形下,M134的射速一般只设置到2,000发/分至4,000发/分的范围内。
M134的主要存在问题有以下几点:1)耗弹量极大;2)枪管温升问题突出。由于枪管较轻(比一般重机枪的枪管还要单薄),射速又高,因此容易出现枪管温升过高而破损的事故,甚至会危及飞机本身的安全。为此,后来在枪上加装了红外警报器,在枪管温升过高时即自动停射;3)虽然该枪故障率甚低(小于万分之一),但勤务性却远不如一般武器。其原因主要是结构复杂、分解结合相当困难,所以一旦出现故障,就难以及时排除。 从体积和重量上来说,一挺M134比六挺同样口径的单管机枪要小,重量也轻,但它所配用的外部电源、控制系统、容弹及输弹系统等却相当庞大,因而大大限制了该枪的使用范围。
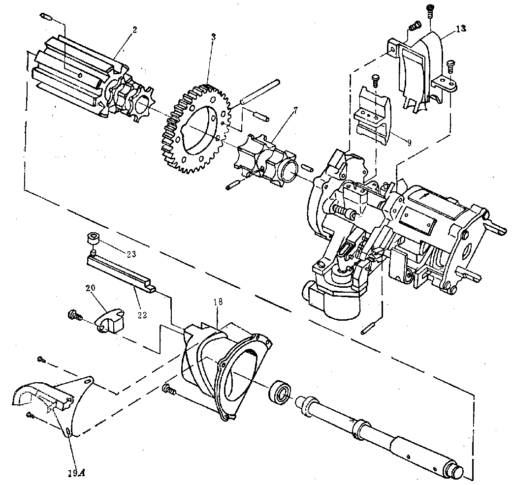
M134主要由枪身、枪座、弹箱、控制箱(电源箱)四大部分组成。枪身包括枪管、机匣、旋转体、枪机、供弹机、电动机等组件。
该枪的枪管较轻,每根只有1.08公斤重。将枪管穿过枪管箍并插入旋转体上对应的孔中,再转动180°即固定好。枪管寿命30,000发
机匣是整体铸件,容纳旋转体,同时又是缓冲器和供弹机导板的固定支架。机匣的内表面上有枪机滚轮运动的曲线槽。 旋转体是枪身的主要部件(见图8-2-47),系用滚柱轴承而置放于机匣中。旋转体前端安装有六根枪管,其圆柱面上有六条枪机导槽。六条可卸的枪机导轨则是用螺栓固定在导槽之间的筋上。组装时,首先将枪机逐一放入导槽中,然后将导轨卡入每两个相邻的枪机的侧面的凹槽之中,再用螺栓固定于旋转体的筋上。每条枪机导槽的底面上还有一段S形的击发导槽,靠它使击针待发和击发。
该枪有六个枪机,分别配属于对应的枪管。闭锁方式为机头回转。枪机两侧的凹槽分别与两块可卸导轨扣合,而枪机滚轮又卡入机匣内表面的曲线槽中,所以枪机随旋转体一起转动的同时又在旋转体的枪机导槽中作直线运动。枪机由机头、机体、击针等组成。机头上有刚性拉壳钩。击针有击针簧,其后端有一曲拐状突起,卡入旋转体枪机导槽内的S形击发导槽之中。
M134的脱链供弹机结构十分复杂,其供弹动作是在旋转体的带动下完成的,脱链方式为纵向直推。 供弹机的主要部件有脱链转轮、输弹轮等。脱链转轮由旋转体通过齿轮带动而回转,两者的转速比是6:7。输弹轮上有7个容弹槽。 导板固定在机匣上,它是一个重要的零件。其作用是使枪弹准确地从供弹机进入旋转体并置于拉壳钩槽内,它的另一个作用是在枪弹击发以后使弹壳脱离旋转体,以完成抛壳动作。弹链通过柔性输弹道进入脱链供弹机。如果输弹道较长(1.5米以上),或是曲率半径太小,则通常会在弹箱上再装一个输弹助推电动机。
另外,空军型的GAU-2B/A采用单回路的无链供弹系统,因此脱链机构的设计略有不同。
M134的启动方式是用24~28V直流电源驱动,工作电流100A,起动电流300A。其工作过程如下:
首先闭合总电源开关,然后按压握把上的击发按钮。通电后,电机运转,通过齿轮传动,旋转体和六根枪管一起作旋转运动。同时,旋转体后齿轮带动供弹机齿轮转动。
每个枪机都随着旋转体转动,同时由于各枪机的滚轮都受机匣内表面的曲线槽的约束,于是它们又沿着各自在回转体上的导槽作前后直线运动,从而完成一系列动作。各枪机依次从导板端部获取一发枪弹,而后枪机滚轮沿曲线槽向前运动,推弹入膛。在机体上的闭锁斜面的作用下,机头回转闭锁。与此同时,击针尾端的曲拐状突起则受旋转体中S形击发导槽的限制,使击针处于待发状态(击针簧被压缩)。当枪机随旋转体转至正上方位置(12点钟位置)时,机头完成闭锁,击针曲拐状突起从S形导槽中解脱,击发枪弹。
机匣内表面曲线槽的前部有一段直槽,枪机在这段直槽内运动时,一直保持闭锁状态,即枪机只随旋转体转动,而不能开锁和后退, 由此起到击发后的机械保险作用。
当枪机滚轮越过曲线槽的直槽段之后,就进入了曲线槽的反向部分,机体后退,带动机头回转开锁。而后整个枪机带动弹壳后退,完成抽壳出膛的动作。枪机后退的同时,仍随旋转体旋转。当转至下方位置时,导板使弹壳脱离旋转体,弹壳随之向下抛出。
至此,一个枪机就完成了360°的自动循环,并准备获取另一发枪弹。六个枪机依次重复上述动作。
松开电击发按钮后,电源切断,枪机停止从输弹导板上推弹,枪机随后闭锁空膛。因此在从切断电源到枪管停止转动的这一秒钟内,并不会出现继续发射枪弹的危险。
由于“米尼岗”是靠外部能源带动的,所以瞎火弹也象弹壳一样退出,向下抛入蛇形管内,而不会引起射击中断。
弹链从输弹道进入供弹机之后,受到脱链转轮(7)的带动。随着脱链转轮的转动,推杆(22)上的滚轮(23)在凸轮罩(18)的曲线槽中运动。推杆从后向前将枪弹推出弹链,此时供弹机约转动半周,枪弹向前运动约43毫米。而后,枪弹受供弹机壳内的螺旋形凸缘导向器(29)的作用,继续向前运动,进入输弹轮(30)的容弹槽内。此时,供弹机共约转动了一周,枪弹向前运动共约78毫米。至此,枪弹暂停向前的运动,而随输弹轮转动,同时又沿着轴承座(32)上的“耳形突缘”渐离供弹机轴,并迫近位于旋转体后方的枪机。当枪机获取枪弹时,供弹机共约转动1-2/3周。随后,枪弹在机头的推动下,按照与机头相同的运动路线进入弹膛。

M134的枪机结构

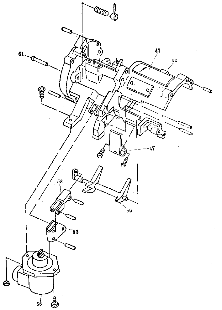
M134的脱链供弹机分解图之一:2-推杆导向轮,3-供弹机齿轮,7-脱链转轮,9-受弹座,13-弹链导槽,18-供弹机凸轮罩,19A-排链斜槽,20-挡板,22-推杆,23-推杆滚轮。

脱链供弹机分解图之二:26-受弹前挡板,29-凸缘导向器,30-输弹轮,35-输弹导杆。

脱链供弹机分解图之三:41-装填指示板,42-供弹机壳,47-隔弹杆定位簧,50-隔弹杆,53-回转臂, 56-螺线管(电磁铁);58-连杆,61-同步销。
![]() M134的齿轮传动示意图 |
![]() M134供弹路线示意图 |
Minigun的第一个武器装置是通用电气公司在1965年生产的SUU-11A/A(或XM18E1)机枪吊舱。在该吊舱内能携带1,500发7.62mm弹,安装在吊舱内的GAU-2B/A机枪采用单路无链供弹系统,并能以6,000发/分的射速进行射击。该吊舱在机枪后面有一个小电池,但只用于射击控制,而驱动机枪动作的电力则由飞机提供。SUU-11A/A吊舱最早是在AC-47上使用。
由于给SUU-11A/A吊舱装填弹药比较麻烦,为了提高炮艇机的持续作战时间,通用电气公司在1966年生产了一种“模块化”的新武器系统,称为MXU-470/A。该系统采用单个垂直的无链供弹鼓,把Minigun水平安装在弹鼓上使它适合AC-47舱口的高度。每个弹鼓能装2,000发7.62mm弹,而机枪的射速可在每分钟3,000发或6,000分之间可选。飞机上携带有后备的弹链,在空中行动中空勤人员随时可以方便地把弹链通过弹鼓顶部的装填装置自动脱链并装填入弹鼓中。后来的AC-119也是使用这样便于空中装填的无链供弹系统。
GAU-17/A机枪系统一般在UH-1N、H-3和H-60等直升机上使用,由机组成员控制,电驱动,6根枪管,旋转动作,击发武器,最大射速可达每分钟6,000发。但机组人员在使用中一般选择以每分钟2,000或4,000发的射速进行射击。在UH-1N DAS型中,机枪可以固定向前并由飞行员遥控发射。构成GAU-17/A机枪系统的组成部分由电缆、控制系统、枪驱动电机、一个MAU-201/A或MAU-56脱链供弹机、柔性供弹滑槽和一个弹药储藏系统组成。弹药储藏系统有4,000发的7.62mm弹链。
美国陆军的M134通过M21、M27、XM50和爱默生MINI-TAT等多种武器系统在UH-1“休伊”、OH-6A“印地安种小马”、和OH-58A“奇奥瓦”上使用。此外,在AH-1G和AH-1S“休伊眼镜蛇”上使用是XM18E1、M28系列和XM64武器系统,其机首炮塔M28系统可带1或2门M134,携弹2千或4千发。
| 枪身重 | 不包括电动机和供弹机 | 15.9 kg |
| 包括电动机和供弹机 | 26 kg | |
| 枪身长 | 800 mm | |
| 枪管长 | 559 mm | |
| 膛线 | 4条、右旋, 缠距254mm | |
| 初速 | 869 m/s | |
| 枪口动能 | 370 kg·m | |
| 射速 | 2000~6000 rpm | |

越战时期作为门枪使用的M134

枪管组件包括6根枪管、1个枪管箍和1个旋转体

枪管组件的分解

旋转体特写:前部的滚柱轴承用于与机匣的装配,中部有6个容纳枪导槽,导槽中有容纳击针尾部突起的击发导槽

供弹机组件
![]() 输弹带上的弹簧卡销卡入供弹机上的销孔中 |
![]() 捏住弹簧卡销上的2个拨杆就能使弹簧卡销从供弹机上的销孔中脱离 |

机匣组件与旋转体、摇架装配在一起
![]() 机匣组件分解之一,可见机匣和机匣盖内表面用于容纳枪机滚轮的曲线槽 |
![]() 机匣组件分解之二,机身后坐时,缓冲垫被压缩,吸收后坐能量,从而减小后坐力 |

摇架的底部,枪身就安装在摇架下方
![]() 摇架的顶部 |
![]() ![]() 摇架上的准星和门 |

迪龙公司生产的M134D,后被USSOCOM定型为Mk44


船上使用的M134D枪架






SHOT SHOW2008上展出的机枪红点镜,装在一挺M134D上




这些三联装的Minigun,按4,000RPM射速的话,同时开火就有12,000RPM的火力

| 【现代加特林"火神"简述】M61 ◇ GAU-4/A [XM130] ◆ M195 ◆ M197 ◆ GAU-7/A ◆ GAU-8/A ◆ GAU-13/A ◆ GAU-12/U ◆ GAU-22/A ◆ XM188 ◆ XM301 ◆ T250 |
| M134 [GAU-2B/A]及其应用:固定翼飞机 ◇ 直升机 ◇ 舰艇 ◇ 地面 ◇ 民间 ◆ XM196 ◆ XM214 ◆ GAU-6 ◆ GAU-19/A [GECAL 50] |
|
资料来源:FAS.org 《轻兵器》2005年4月下 国防工业出版社出版《国外轻型步兵武器》下册 |
创建2008-10-18 / 更新2026-03-03 |