| →美国军用轻武器 |
M197机炮 |
|
|
口径: 20×102 mm |
||
| M61 ◇ GAU-4/A [XM130] ◆ M195 ◆ M197 ◆ GAU-7/A ◆ GAU-8/A ◆ GAU-13/A ◆ GAU-12/U ◆ GAU-22/A ◆ XM188 ◆ XM301 ◆ T250 | ||
| M134 [GAU-2B/A]及其应用:固定翼飞机 ◇ 直升机 ◇ 舰艇 ◇ 地面 ◇ 民间 ◆ XM196 ◆ XM214 ◆ GAU-6 ◆ GAU-19/A [GECAL 50] | ||

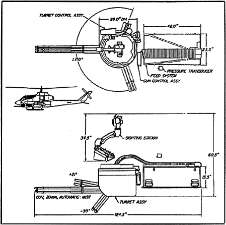
M197机炮正式名称为M197自动炮(M197 Automatic Gun)被应用得并不广,但却很常见,因为这种20mm三管加特林机炮是AH-1“眼镜蛇”系列武装直升机的主要武器。研制M197的原因是根据越南战争的经验表明,炮艇机上使用的7.62mm机枪威力和射程不足,于是通用电力公司于1968年在M61的基础上把炮管减少到3根,最大射速也降低到原来的四分之一,以便能在轻型飞机或直升机上使用了。M197机炮通用M61的M50系列和PGU系列20mm炮弹。
在AH-1直升机上,M197机炮是M97武器系统的一部分,取代最初在AH-1直升机上使用的M28武装系统和XM35武装系统。最早在AH-1S型上使用的是M97E1,后来改进为M97E2。然后从AH-1F型开始改进为M97A3和M97A4,M97A4一直使用至今。
在AH-1直升机上,可携带750发20mm炮弹。M97系统中的M197机炮要配合M89或M89E1脱链机构,这主要是考虑到弹链装填会比较方便快捷,比较适合在简陋的野战条件下为直升机补充弹药。机炮安装在A/A49E-7炮塔上,水平转向200度,垂直转向60度。M97的理论射速为每分钟730发(±50发),不过最高可调至2,000~3,000发/分。标准的射击方式是一次100发的长点射,两次点射之间冷却几秒。
目前M197机炮仍在最新的AH-1W及AH-1Z武装直升机上使用,虽然转管式机炮在理论上是非常可靠,但据说美国海军陆战队飞行员一直报告该武器系统有惊人的卡壳率(据说是大于30%)。虽然美国海军陆战队和制造商都意识到这个问题,但却没有具体的改进项目纳入AH-1Z计划中。同时,他们期望通过培训勤务人员来减少出现这种故障的机会。
M197机炮目前的承包商是通用动力公司武装系统分部(General Dynamics Armament Systems)。




M197使用的20mm弹链



A/A49E-7炮塔的转向角度



最新的AH-1Z仍然是使用M197机炮,但火控系统已经改为与头盔瞄准具同步

1993年,一架AH-1在摩加迪沙上空用M197机炮向索马里人群扫射
M197门枪


越战中试验过的一种减少3根管管以减轻重量装到直升机上使用的XM-M61门枪,实际上就是M197的前身

仙童公司在越战期间用皮拉图斯PC-6运输机改装的AU-23A“和平缔造者”(Peacemaker)炮艇机,一共造了15架,大部分在机舱门侧安装M197机炮。从越南撤退时移给泰国

没有定型的OH-58C侦察直升机上安装了M197机炮作为航向射击武器

TM197B是供应给意大利A-129武装直升机的M197改进型


TM197早期的携弹方式,是在机鼻两侧各有一个大型弹箱,携弹数量不详









TM197B目前所用的携弹方式,在机身左侧有长条形弹箱,携弹500发。这种安装有TM197B的“猫鼬”称为A-129CBT型




土耳其T-129直升机(特许仿制A129)机鼻上的TM197B机炮

直接在机腹安装M197炮塔的OV-10D,称为YOV-10D,一种专门用于夜间巡逻的对地攻击机





早年YOV-10D曾经试验过一种把M197机炮装在机尾的遥控枪架上,但没有更多的照片,估计没有装备部队
GPU-2/A机炮吊舱

GPU-2/A是一种轻型机炮吊舱,相比于安装M61的SUU-16/A而言要轻得多,适合在轻型飞机或直升机上使用。该吊舱内安装一挺M197机炮,并携带300发炮弹。GPU-2/A全长3.25m,最大直径482mm,满载M50实弹时全重266kg,采用无链供弹,理论射速在750或1500发/分内可选。该吊舱是独立系统,自带镍镉充电电池供电,其电量可满足三次装弹或全数射击。GPU-2/A最初A-37“蜻蜓”和 OV-10“野马”上使用,后来也被用于A-4“天鹰”。虽然也在AH-1上测试过,但较少见被AH-1用于实战。







由于机体小、动力小,因此A-4“天鹰”挂的机炮吊舱常见是重量较轻的GPU-2/A


挂在OV-10A炮兵观察机下的GPU-2/A机炮吊舱

OV-10A还挂过一种型号为GPU-2的单管20mm机炮吊舱,与GPU-2/A不是一种型号

给OV-10机腹的GPU-2/A吊舱装填弹药

挂GPU-2/A吊舱的OV-10A与安装遥控炮塔的YOV-10D的侧视图比较
| 【现代加特林"火神"简述】M61 ◇ GAU-4/A [XM130] ◆ M195 ◆ M197 ◆ GAU-7/A ◆ GAU-8/A ◆ GAU-13/A ◆ GAU-12/U ◆ GAU-22/A ◆ XM188 ◆ XM301 ◆ T250 |
| M134 [GAU-2B/A]及其应用:固定翼飞机 ◇ 直升机 ◇ 舰艇 ◇ 地面 ◇ 民间 ◆ XM196 ◆ XM214 ◆ GAU-6 ◆ GAU-19/A [GECAL 50] |
|
资料来源:FAS.org 《THE MACHINE GUN》Volume V(1987年版) |
创建2008-10-13 / 更新2023-07-31 |