| →美国军用轻武器 |
Minigun的应用:直升机平台 |
|
|
口径: 7.62×51 mm NATO |
||
| M61 ◇ GAU-4/A [XM130] ◆ M195 ◆ M197 ◆ GAU-7/A ◆ GAU-8/A ◆ GAU-13/A ◆ GAU-12/U ◆ GAU-22/A ◆ XM188 ◆ XM301 ◆ T250 | ||
| M134 [GAU-2B/A]及其应用:固定翼飞机 ◇ 直升机 ◇ 舰艇 ◇ 地面 ◇ 民间 ◆ XM196 ◆ XM214 ◆ GAU-6 ◆ GAU-19/A [GECAL 50] | ||
M21直升机武装子系统

M21直升机武装子系统(M21 Helicopter Armament Subsystem)是专门安装在UH-1“休伊”直升机的机腹两侧使用的,每侧包括一挺可俯仰转动的M134和一个火箭吊舱。M21系统在越南大量使用,代替了原来配备两挺M60C的M6系统。早期的M21系统是安装在载员舱门的前方位置,但很快就改为安装在舱门后方位置。



此图中右侧的XM21系统是代替了左侧的M6系统



XM27E1直升机武装子系统是安装在OH-6A后舱左门使用的,在后舱有一个容量2,000发的弹药箱供弹。该武装系统用于取代配备M60C机枪的XM7武装系统。XM27E1也可作俯仰调整,由副驾驶通过一个反射式瞄准仪进行操控。后来定型为M27,也在OH-58A和OH-58C上安装过。

M27武装系统的俯仰角度


M27武器系统
![]() 射击中的OH-6/M27武装系统 |
![]() 越战中正在用M27武装系统扫射河面的OH-6 |

如今,萨尔瓦多空军的MD530上还在使用M27系统,不过机枪可能是迪尼公司的M134D
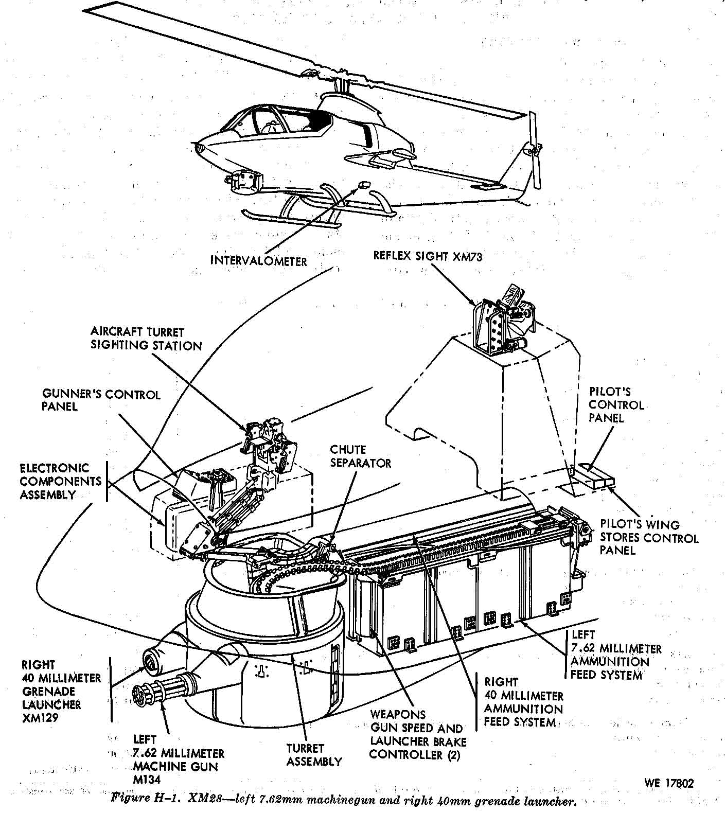
M28直升机武装子系统
|
|



在AH-1的原型机上的武器系统是TAT-102,炮塔上只有一挺M134


装有一挺M134的TAT-102枪塔也在其他直升机上试验过,比如这是在HH-2上安装TAT-102
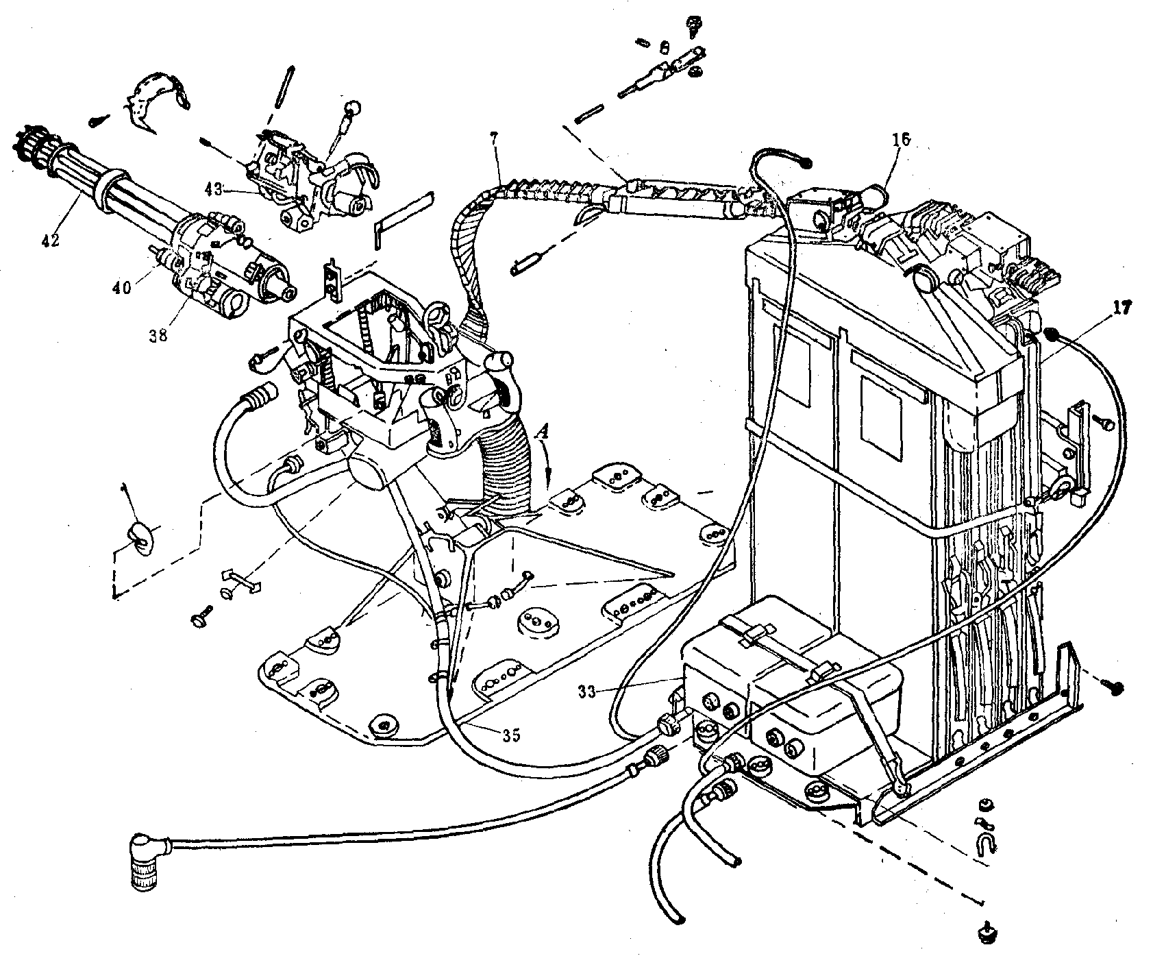
XM93直升机武装子系统
XM93武装系统是安装在UH-1的后舱门上使用的M134门枪(Door Gun)武器系统,

7-输弹道;16-输弹助推电机;17-弹箱;33-控制箱;35-底座(立柱、托架和摇架等);38-驱动电机;40-缓冲器;42-枪管;43-脱链供弹机。
图中A处箭头表示排壳方向(弹壳先抛入蛇形管内)


还有把XM93门枪装到仙童公司用皮拉图斯PC-6运输机改装的AU-23A“和平缔造者”(Peacemaker)炮艇机上的情况

XM-75是安装在UH-1机头的M134旋转炮塔

装在贝尔CH-136直升机上的MINI-TAT武器系统,挂载的是GAU-2B/A机枪


160特种作战航空团的AH-6J“小鸟”上有两挺M134航向机枪











波音公司在2010年推出的改进型“小鸟”AH-6S及出口型AH-6I,其火控系统可使用制导武器,但M134机枪仍是基本武装,而且可多安装一组弹箱使容弹量增大一倍

与AH-6相同但安装在贝尔406直升机上的M134及火箭巢武装系统

HH-53尾门的门枪
|
|



北美网友StevenZhou在2016年美国空军航展上看到的GAU-2/A

装在OH-58D左侧的M134

迪尼公司为米8、米17用户提供的M134D舱门机枪的安装座


| 【现代加特林"火神"简述】M61 ◇ GAU-4/A [XM130] ◆ M195 ◆ M197 ◆ GAU-7/A ◆ GAU-8/A ◆ GAU-13/A ◆ GAU-12/U ◆ GAU-22/A ◆ XM188 ◆ XM301 ◆ T250 |
| M134 [GAU-2B/A]及其应用:固定翼飞机 ◇ 直升机 ◇ 舰艇 ◇ 地面 ◇ 民间 ◆ XM196 ◆ XM214 ◆ GAU-6 ◆ GAU-19/A [GECAL 50] |
|
资料来源:Dillon Aero |
创建2008-10-18 / 更新2026-02-10 |